| 目次 |次頁 |
|
昭和44年度原子力関係予算見積方針について |
|
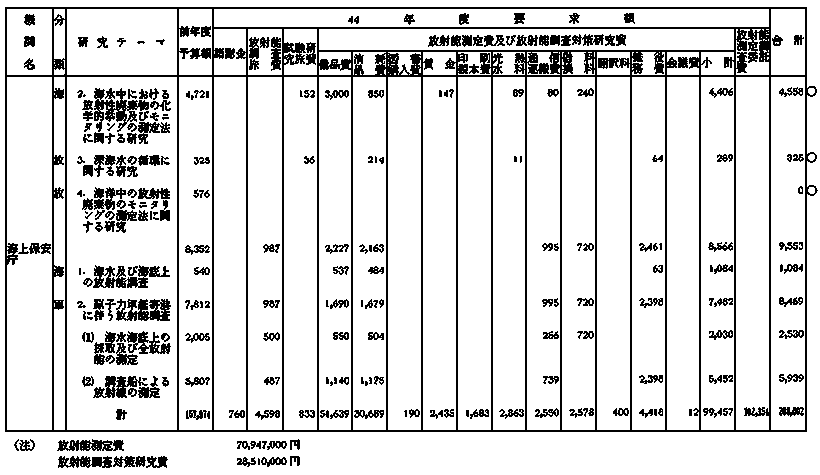
43.9.11 最近の内外における原子力開発の発展は著るしいものがあり、わが国の原子力開発利用は漸次実用化段階に向って進展しつつある。 このような情勢に対応し、昭和42年4月に「原子力開発利用長期計画」が改訂されたが、その第3年目にあたる昭和44年度においては、国のプロジェクト(動力炉の開発、原子力第一船の建造)の推進をはじめとして、核燃料対策の展開、安全対策の確保、その他の研究開発の促進など原子力開発利用を計画的に推進するために必要な諸施策を講ずる。 動力炉の開発は「動力炉開発に関する基本方針」および「動力炉開発に関する基本計画」に基づいてこれを推進し、高速増殖炉については、昭和47年度頃に実験炉を臨界に至らせることを目標として研究開発をすすめ、昭和44年度に実験炉の建設に着手し、新型転換炉については、昭和49年度頃に原型炉を臨界に至らせることを目標として研究開発を行なう。 原子力第一船の建造については「原子力第一船開発基本計画」の方針に沿って、昭和46年度末完成を目途に、工事の円滑な推進をはかるとともに、付帯陸上施設の建設をすすめる。 核燃料対策としては、原子力利用の実用化段階にそなえて、核燃料サイクルの早期確立をはかるものとし、使用済燃料再処理施設の建設については、昭和46年度に稼動させることを目途に、昭和44年度にその本格的建設に着手することとし、その資金のうち、研究開発的または公共的施設等については一般会計予算によるほか、財政投融資資金等の借入れによりこれを確保するものとする。 また、人形峠鉱山における採鉱、製錬業務ならびにウラン濃縮の研究開発、プルトニウムの熱中性子炉利用に関する研究等を推進する。 最近の諸情勢にかんがみ、とくに安全対策に重点をおき、原子力施設の安全対策、放射線障害の防止、放射性廃棄物の処理、処分に関する研究開発、環境における放射能調査の一層の充実をはかる。 さらに、基礎研究の充実、国立試験研究機関における研究の推進、民間に対する試験研究の助成についても、ひきつづきその推進をはかることとし、これら各分野の研究開発のうち、食品照射に関する研究、核融合に関する研究などについてはこれを原子力特定総合研究として推進する。 また、国際協力、原子力知識の普及啓発、人材の養成等についてもひきつづきその充実をはかる。 以上の方針に基づき、慎重に調整を行なった結果、昭和44年度の原子力予算は高速増殖炉および新型転換炉の研究開発プロジェクトに必要な経費をはじめとし、各省庁行政費までを含めて総所要経費は約402億円であり、国庫債務負担行為額は約302億円である。 また、行政機関の定員増を含め原子力開発機関等に必要な人員増は464人である。 Ⅱ 主な事業 1 高速増殖炉および新型転換炉の研究開発 高速増殖炉については、動力炉・核燃料開発事業団が日本原子力研究所、民間等の協力のもとに、α-γケーブ、ナトリウムループ、ナトリウム機器材料試験装置等大型研究施設の建設ならびに炉物理、炉工学、核燃料、材料、安全性等の研究開発を行なうとともに、実験炉の建設に着手する。 新型転換炉については、動力炉・核燃料開発事業団が関係機関の協力のもとに、原型炉の第二次設計研究を完了させるとともに、ひきつづき、臨界実験、熱ループ実験、コンポーネントテスト、安全性実験、核燃料の研究開発等を実施する。 なお昭和44年度には、それまでに得られた成果をもとに新型転換炉の評価検討を行ない原型炉建設にそなえる。 (必要経費約209億円、国庫債務負担行為額約236億円) 2 材料試験炉の整備、運転 日本原子力研究所の材料試験炉については、昭和44年度末期より実用運転を開始し、各種燃料、材料の本格的照射を行なう。 また、大洗地区における関連諸施設の整備を行なう。 (必要経費約25億円、国庫債務負担行為額約7億円) 3 在来型炉の研究開発 在来型炉については、その国産化を促進するために、日本原子力研究所が動力試験炉の出力上昇計画をひきつづき推進する。 また、安全性研究のための大型モックアップ施設の整備、運転等を行なうとともに、原子力平和利用研究費補助金等の交付により安全性および燃料に関する研究開発等を実施する。 (必要経費約9億円、国庫債務負担行為額約1億円) 4 原子力第一船の建造 原子力第一船については、昭和46年度末完成を目途に、日本原子力船開発事業団が、前年度にひきつづき、建造工事をすすめ、昭和44年度の前半に船体を進水させ、ひきつづき船体ぎ装を行なうとともに搭載原子炉の詳細設計、機器の製作をすすめる。 また、付帯陸上施設の建設をすすめるとともに、乗組員の養成訓練を実施する。 (必要経費約25億円、国庫債務負担行為額約16億円) 5 使用済燃料再処理施設の建設 昭和43年度に完了する再処理施設の詳細設計に基づき、昭和44年度においては本格的建設に着手する。 再処理施設の建設資金のうち研究開発的または公共的性格を有する運転試験施設、高レベル廃棄物貯蔵施設、建設利息等については、一般会計予算の政府出資金によることとし、それ以外の施設については財政投融資資金等の借入れにより確保する。 (必要経費約3億円、国庫債務負担行為額約20億円および財政投融資資金等の借入れ約35億円) 6 人形峠鉱山の採鉱、製錬 人形峠鉱山においては、国内外におけるウラン資源の自主開発に備えるため、前年度までの採鉱、製錬に関する試験結果をもととし、採鉱、製錬を行なうため、諸設備の整備をはかる。 (必要経費約1億円) 7 核燃料に関する研究開発 プルトニウムの有効利用をはかるためのプルトニウムの熱中性子炉への利用技術および遠心分離法を中心としたウラン濃縮技術の研究開発を計画的に推進する。 (必要経費約4億円、国庫債務負担行為額約4億円) 8 核融合の研究 核融合については、将来における制御熱核融合反応の実現を目途として、まず第一段階の研究開発を日本原子力研究所、理化学研究所、電気試験所が、大学、民間企業等の協力のもとに特定総合研究として推進する。 (必要経費約2億円) 9 放射線の利用 日本原子力研究所においては、食品照射の共同利用施設の建設に着手するとともに、放射線化学関係の設備の増強、ラジオアイソトープの生産頒布の充実をはかる。 また、国立試験研究機関、理化学研究所、民間等諸機関において食品照射、放射線化学をはじめ、医学、工業、農業等の各分野における放射線利用に関する研究を促進する。 (必要経費約13億円、国庫債務負担行為額約6億円) 10 安全対策の強化 (1)原子力平和利用に伴う安全対策11 民間企業に対する研究補助および研究委託 原子力平和利用研究費補助金については、在来型炉の国産化に資するための原子炉および燃料の設計製作に関連した研究に重点を置く。 また、原子力平和利用研究委託費については、原子力特定総合研究の推進ならびに育成に関するもの、核燃料対策に関するものおよび安全対策に関するものに重点を置く。 (必要経費約3億円) 12 国際協力の推進 新たな情勢に対応した日米原子力協力協定の改訂を契機に、日米原子力会談の開催などにより米国との協力を推進するほか、海外諸国および国際原子力機関、欧州原子力機関等の国際機関との協力を推進し、科学技術者の交流、情報の交換、国際的共同事業への参加、主要国際会議への参加等を積極的に行なう。 (必要経費約2億円) 13 人材の養成 昭和43年度にひきつづき、日本原子力研究所の原子炉研修所およびラジオアイソトープ研修所ならびに放射線医学総合研究所養成訓練部において原子力関係科学技術者の養所訓練を行なうとともに、海外に留学生を派遣する。 (必要経費約1億円) 14 行政機構の整備 原子力開発利用の進展、保障措置業務の増大、放射能監視体制の強化等に対処するため、科学調査官、保障措置担当専門職、放射能調査専門職等を新設し、原子力局の機能強化をはかる。 また、放射線障害防止法、原子炉等規制法等の効率的な施行を期するため、大阪原子力事務所を新設する。 これらのため職員10名の増員を行なう。 さらに国際協力を一層推進するため、科学アタッシェ1名の増員を行なう。 15 東海地区地帯整備 昭和43年度にひきつづき、建設省の行なう公共事業の一環として、東海地区における道路の整備事業を実施せしめ、それに必要な補助措置を講ずる。 (必要経費約3億円) Ⅲ 原子力関係機関等に必要な経費 1 日本原子力研究所 東海研究所、高崎研究所および大洗研究所の研究部門の充実、研究サービス部門の整備等を含め、昭和44年度において必要な経費の総額は約115億円(うち政府出資約111億円)であり、国庫債務負担行為額は約24億円である。 また、材料試験炉の運転、動力炉研究開発への協力および高崎研究所の人員の増強等のため112名の増員を行なう。 2 動力炉・核燃料開発事業団 昭和44年度において、高速増殖炉および新型転換炉の開発プロジェクトを推進するために動力炉・核燃料開発事業団の必要な経費は約209億円(うち政府出資約204億円)であり、国庫債務負担行為額は約236億円である。 また、動力炉開発プロジェクト推進体制の整備をはかるため257名の増員を行なう。 核燃料物質の探鉱、製錬、核燃料に関する試験研究、再処理施設の建設等に必要な経費は約63億円(うち政府出資約28億円)であり、国庫債務負担行為額は約24億円である。 また、再処理部門の整備、ウラン濃縮の研究に重点を置き48名の増員を行なう。 なお、動力炉・核燃料開発事業団に対する昭和44年度の政府出資の総額は約231億円、国庫債務負担行為額は約260億円であり、定員増は総計305名である。 また、再処理施設建設のための財政投融資資金等の借入金は約35億円である。 3 日本原子力船開発事業団 原子力第一船の建造および付帯陸上施設の建設等に必要な同事業団の経費は約31億円(うち政府出資約25億円)であり、国庫債務負担行為額は約16億円である。 また原子力第一船の運航準備、定係港管理要員等のために20名増員を行なう。 4 放射線医学総合研究所 放射性廃棄物の海洋処分に関する調査研究、プルトニウムの内部被ばくに関する調査研究、SPF動物等を用いる放射線医学領域における造血器移植に関する調査研究等の特別研究の充実、データ処理センターの建設等を含め、昭和44年度において同研究所に必要な経費の総額は約9億円である。 また、このため必要な16名の増員を行なう。 5 国立試験研究機関 放射線利用、原子炉材料に関する研究および核原料物質の探査を含め、昭和44年度において国立試験研究機関に必要な原子力関係経費の総額は約7億円である。 6 理化学研究所 理化学研究所については、核融合に関する研究、食品照射の基礎的研究、サイクロトロンによる研究等を行なうため、昭和44年度の原子力関係経費は、総額約2億円、国庫債務負担行為額、約1億円である。 昭和44年度原子力関係予算概算要求総表 ![]() 1. 昭和44年度日本原子力研究所予算要求総括表 |




|




|


|

|

|

|

|

|

|



|

|

|

|

|

|
