前頁
|
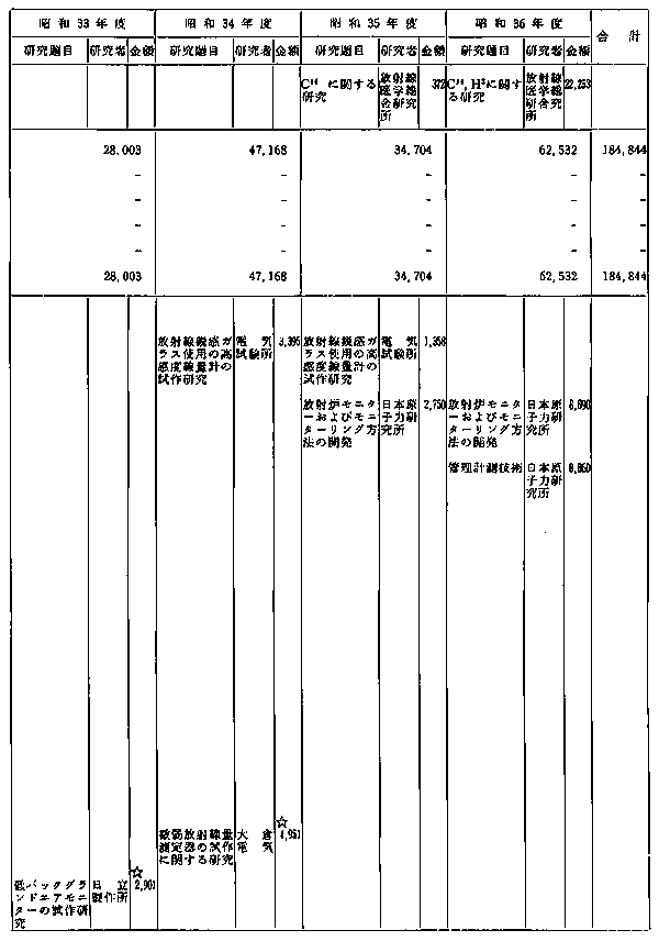
原子力平和利用研究一覧表
|
次頁
S.放射線の障害防止
S−6 放射能調査 〜 S−計
前頁
|
原子力平和利用研究一覧表
|
次頁