資  料

放射性同位元素使用確認表

(昭和31年度第4期分)

 1.放射性同位元素の使用を確認するもの

    (3)審査区分 工学



    (4)審査区分 生物



    (5)審査区分 農学



    (6)審査区分 動物



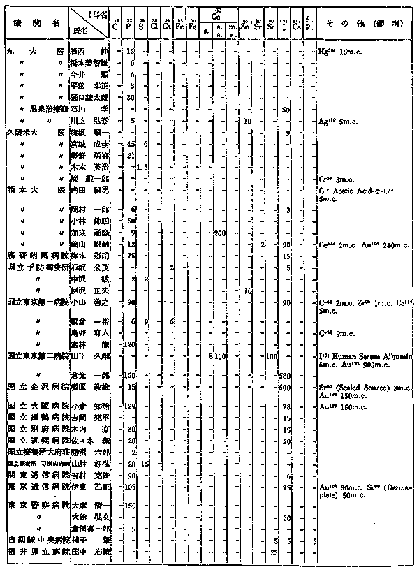
    (7)審査区分 医学










2. 総括表

  第1表 専門別使用者数件数


  第2表 各省別使用機関数


  第3表 同位元素別件数数量