(6)専門部会等報告
「高温ガス炉研究開発計画専門部会」中間報告
昭和61年8月12日
原子力委員会高温ガス炉研究開発計画専門部会
序 論
我が国の高温ガス炉研究開発については,現在,原子力開発利用長期計画(昭和57年6月30日原子力委員会決定)に沿い,日本原子力研究所(原研)において実験炉の設計及び関連研究を進めており,炉物理,炉工学,燃料・材料,高温機器等の分野で実験炉建設に必要な技術的知見が蓄積されてきている。
他方,上記長期計画策定後のエネルギー事情,核熱プロセス利用の需要の動向,国の財政事情等高温ガス炉を取りまく社会情勢の変化も著しく,今後の高温ガス炉研究開発計画について改めて検討,評価を行う必要が生じた。
このため,本専門部会において,本年4月より核熱利用の需要の動向,高温ガス炉研究開発の意義,今後の高温ガス炉研究開発の進め方等について検討を行ってきたところである。
本報告は,現在までの検討状況を整理し,中間的に取りまとめを行ったものである。
1.高温ガス炉研究開発の意義
我が国においては近年軽水炉による発電が定着し,ウラン資源の有効利用等を目指して高速増殖炉等新型動力炉の研究開発も進められているが,もとより原子力開発においては自主技術により安全性の確保を基本としつつ,経済性を追求し利用分野の拡大を図ることが本質的に重要な課題である。
原子炉システムは多量のエネルギーを発生する熱機関であり,その安全性を確保しつつより高温の熱を取り出すことにより熱効率の向上を図ることができれば,経済性の向上及び利用分野の拡大がもたらされることが期待され,ひいては地球環境の保全にも一層寄与するものと考えられる。
高温ガス炉は,1000°C程度の高温の熱を供給できるのみならず,その特性に基づく固有の安全性が高く,また燃料の高い燃焼度を達成し得るので,安全性を確保しながら経済性の向上,利用分野の拡大などの課題の解決に寄与できる炉型であり,現時点では核熱利用の導入時期の見通しは明確ではないものの,その研究開発の推進は非電力分野への原子力利用等原子力の未踏領域への展開を図る上で十分に意義があるものと認められる。
さらに,現在我が国は技術革新を図るための創造的研究を育成すべき時期にあり,国の研究機関を中心に広く大学,産業界の協力を得て,長期的展望の下に新技術の萌芽を創生し得る研究開発を推進することが必要である。高温ガス炉技術は他分野における耐熱材料,黒鉛材料,高温機器等の技術に種々の波及効果を及ぼすことが期待されるので,この観点からも,将来の技術革新の契機となる各種の新技術の萌芽の創生に貢献し得る高温ガス炉の開発は我が国にとって重要な意義を有すると考えられる。
2.高温ガス炉研究開発の現状及びそれを取りまく状況
(1)我が国における研究開発
我が国においては,原研を中心に高温ガス炉の研究開発が昭和44年以降進められてきている。
原研においては,大型構造機器実証試験ループ(HENDEL)による燃料体,炉内構造物等の高温高圧のヘリウムガス中における伝熱・流動等の実証試験,高温ガス炉臨界実験装置(VHTRC)による被覆粒子燃料を用いた臨界実験,大洗ガスループ(OGL-1)による被覆粒子燃料の照射試験等により,高温機器,炉物理,炉工学,燃料・材料等高温ガス炉要素技術について技術的知見が蓄積されてきている。特に,高温機器についてはHEN DELにおいて最高1000°C,延べ6000時間の運転に成功しており,炉計測については約800°Cの高温に耐える中性子検出器が開発され,燃料については量産規模により生産された被覆粒子燃料について1300°C,5万MWD/tonの照射試験により健全性が確認され,耐熱金属材料については原研で開発したハステロイXRの15000時間のクリープ試験データが取得され,黒鉛材料については機械的強度の優れた国産黒鉛IG-110が開発されるなど多くの優れた研究開発成果が得られている。また,昭和55年以降,実験炉の詳細設計を進めるとともに,炉システムの合理化をも検討してきた。
さらに,被覆粒子燃料,炉心用黒鉛,耐熱合金材料等については,国産技術として国内メーカーにも技術的蓄積がなされている。
以上のように,現在我が国においては,炉の建設,運転により初めて取得が可能となる技術的知見を除いて,炉出力数十MWt程度でかつ運転初期における炉出口温度約850°Cの炉の建設に着手できる技術的基礎は整っているものと考えられる。
(2)海外における研究開発及び国際協力
高温ガス炉の研究開発は,西独及び米国が積極的に進めており既に発電用原型炉を運転している。両国における開発の進め方の特徴は,まず発電を主目的とする原子炉を建設して,高温ガス炉の機能と安全性の実証を行い,さらに経済性の向上を目指している点にある。
核熱直接利用技術開発については,西独において石炭ガス化への利用を主目標に高温機器,プロセス利用技術等の要素技術の開発が進められている。
また,中国においては,重質油の改質,回収用の熱源とするため高温ガス炉の研究開発が進められており,さらにソ連においても,アンモニア製造等を目的として炉設計等の研究開発が進められている。このように,核熱直接利用については,各国においてその国特有の事情に基づく用途を想定して要素技術の開発が進められている段階にあり,西独において発電用実験炉を核熱プロセス利用実験炉に改造するなどの計画が検討されてはいるが,炉システムとしての技術の確立は今後の課題である。
我が国の高温ガス炉研究開発は核熱直接利用のための炉システムの構成を目指していることが大きな特徴であるが,高温ガス炉システム中西独及び米国の計画と共通する要素技術について,研究開発を効率的に推進するため,両国との協力を実施しており,今後も積極的に協力を進めることとしている。
また,中国との間でも,研究協力を開始する方向で協議を行っている。
(3)産業界における高温核熱利用の見通し
現在,我が国における高温ガス炉による高温核熱の産業への利用の見通しは概ね次のとおりである。
即ち,化学工業においては,高温ガス炉によって供給される熱が将来化石燃料によるものと経済的に競合し得るようになれば,核熱利用の可能なプロセスがいくつかあり,また,製鉄業においては,高温ガス炉によって生産される還元ガスが価格競争力を持つようになれぽ,その利用の可能性がある。
核熱による水素製造については,水の熱化学分解法の研究開発が進められており,将来の化石燃料に比べて安価な核熱が供給できるようになれば,これを水の熱化学分解法による水素製造の熱源として利用する可能性がある。
一方,高温ガス炉による高温核熱が早期に化石燃料に代替する見通しは少ないが,そのコストが21世紀前半に化石燃料価格と競争し得る可能性があるとの試算もある。
発電利用については,当面高温ガス炉が発電体系に組み込まれる見通しはないが,将来コージェネレーションという形態等で導入できる技術的可能性はある。
(4)大学等の高温ガス炉施設利用の見通し
大学には高温ガス炉に関連する基礎研究への志向があり,原研に高温ガス炉施設が建設された場合には,この高温ガス炉を活用して,炉物理,炉工学試験,高温耐熱核計装システムの開発,トリウム高転換技術の研究,耐熱材料,セラミック材料等の大型試料による高温照射試験,高温雰囲気下での計装付の各種照射試験等の先端的基礎研究を行いたいという意向を有している。
さらに,核融合研究分野からも,この高温ガス炉を利用して高温ヘリウムガス技術の開発,核融合炉用ブランケット材料等の材料照射試験,トリチウム生産に関する研究等を行いたいという要望がある。
また,高温ガス炉施設を利用する種々の材料研究については,国立試験研究機関の利用も相当程度見込まれる。
3.高温ガス炉研究開発の今後の進め方
高温ガス炉の研究開発は,これまで,製鉄業等での利用を早期に実現すべく進められてきており,2.(1)に示すように高温機器,炉物理,炉工学,燃料・材料等の分野で優れた研究開発成果が得られ,炉の建設に着手できる技術的基礎は整っているが,2.(3)で見たように,現状では,高温核熱の産業界での利用については,その技術的見通しはあるものの近い将来に経済性が成り立つ情勢にない。従って,現行の原子力開発利用長期計画に示された,高温ガス炉の早期の実用化への一ステップとして位置付けられている実験炉を建設する計画は,この際,見直すことが適当であると考えられる。
本専門部会においては,研究開発の中断等も含め今後採り得る高温ガス炉研究開発の進め方について,それらの意義及び問題点を検討した結果,以下の結論に達した。
高温熱供給,高い固有の安全性,燃料の高燃焼度等の優れた特性を有する高温ガス炉の研究開発は,安全性の確保の下に経済性の向上,利用分野の拡大などの課題の解決に寄与し得るという点で,我が国の原子力開発上大きな意義を有しており,近年の社会情勢の変化に拘わらずこの認識に変わりはない。エネルギー資源の乏しい我が国においては,特に高温熱供給による原子力利用分野の拡大により将来のエネルギー供給の多様化に資する可能性を高めておくことが重要であり,これまでに蓄積された技術及び人材を分散させることなく,引き続き高温ガス炉技術の基盤の確立と高度化を展開していくべきである。
現在の高温ガス炉技術の高度化を図るための主要な課題を集約すると,
① 熱効率の向上と高温熱利用システムの確立
② 炉心特性の高性能化(高温,高燃焼度,高出力密度等)
③ 高温ガス炉特有の安全性の検証(パッシブ・セイフティ (静的機器のみによる炉心冷却)技術の確立等)
④ 要素技術の高度化(被覆粒子燃料の核分裂生成物保持能力の向上,燃料の伝熱特性の向上,黒鉛の性能向上,耐熱材料,高温機器の開発等)
となる。
また,2.(4)に挙げられたような各種の高温に関する先端的基礎研究は,主に材料系科学技術分野において,将来の技術革新の契機となる各種の新技術の萌芽の創生に大きな貢献をなし得るものと期待される。
長期的観点の下に,高温ガス炉技術の基盤を確立し,加えて上記の高度化のための課題を体系的に解決していくため,また高温に関する先端的基礎研究を行うためには,高温ガス炉の基盤技術及び高度化技術に関する各種試験並びに高温領域における各種基礎的照射試験等を,所要の機能を有する炉システムにおいて実施することが必要不可欠であり,そのための研究施設として高温ガス試験研究炉を建設することが適当である。
この高温ガス試験研究炉の建設に当たっては,我が国において蓄積されてきている高温ガス炉に関する基礎技術及び原子炉設計技術を用いて,自らの手で炉を設計,製作,運転し,データを取得しつつ自主技術を確立していくことが何よりも重要である。さらに,将来の高温ガス炉技術の進展に柔軟に対応できる施設にすること,また,経費の節約を含めて効率的な研究開発に努めることが重要である。
高温ガス試験研究炉の持つべき機能については,高温ガス炉技術の基盤の確立及び一層の高度化を目指した要素技術の試験並びに高温領域における各種基礎的照射試験を行うことができるよう炉内に照射領域を設けるとともに,燃料破損限界を明らかにするための試験,計装付の照射試験等を行うことができるような構造にすべきであり,その炉出口温度については現在の技術レベルで達成可能な約850°Cから段階的に上昇させていくことが適当である。また,このための炉心構造としてはブロック型が適切である。さらに,各種試験を行うために十分な大きさの実験孔を持つ照射領域を設けかつ所要の高温を達成するために必要な最小限の炉出力は30MWt程度と考えられる。
また高温ガス試験研究炉建設の時期については,建設期間及び試験研究実施期間を合わせて少なくとも十数年の年月が必要なこと並びに技術レベル及び研究開発体制の現状を考慮すれば,今後の研究開発の効率的な進展を図るため,早急に建設に着手することが適当であると考えられる。
なお,この高温ガス試験研究炉の建設費は,900億円程度と見込まれている。
長期的にみると,将来の高温ガス炉では炉出口温度約1000°C以上の高温を要求されることが予測されるので,それを目指して高温ガス炉要素技術の高度化を図ることは重要であり,そのためには,高性能化のための照射試験等を行う主要施設としてこの高温ガス試験研究炉を活用するとともに,HEN DEL,VHTRC等の既存の諸施設も有効利用することが必要である。
また,このような高温ガス炉研究開発計画の実施については,長期的展望の下に原子力に関する先駆的研究を展開していく役割を担っている原研がその中心となり,大学及び国立試験研究機関からの参加はもとより広く産業界との協力の下に遂行されるべきである。さらに,この高温ガス試験研究炉は高温照射試験機能を有し,かつ中間熱交換器から900°C近い高温の熱を取り出すことができる,世界でもユニークな研究施設であることから,国際協力の場において重要な意義を有する施設となるので,海外諸国との国際協力を積極的に行い,研究の効果的促進を図っていくべきである。
一方,核熱プロセス利用技術の開発については,我が国における今後の核熱プロセス利用に関する動向,経済性などを十分に考慮しつつ,必要に応じHENDELの利用等も含めて計画的に進めるものとする。
また,今後の高温ガス炉研究開発を進めるに当たっては,非効率的な開発とならないよう周到な計画管理に十分留意するとともに,節目節目において柔軟な立場から研究成果の評価とそれによる計画の見直しを行いつつ進めていくことが重要である。
以上
「ウラン濃縮懇談会」報告書
昭和61年10月28日
原子力委員会ウラン濃縮懇談会
1.はじめに
本懇談会は,原子力委員会決定に基づき,21世紀始めを見通した今後のウラン濃縮の展開,技術開発の方向付等について調査審議するため昭和60年12月17日に設置され,昭和61年1月28日に第1回会合が開催されて以来7回にわたって鋭意審議を重ねてきた。また,革新的ウラン濃縮技術として内外において注目を集めているレーザー法濃縮技術については,集中的審議を進めるため,本懇談会の下にレーザー法技術ワーキンググループが設けられ,その検討の結果については,本年4月21日に本懇談会に報告書として提出された。
以下は,当懇談会の審議結果を,上記ワーキンググループ報告書の内容をも踏まえて取りまとめたものである。
2.我が国のウラン濃縮をめぐる諸情勢
(1)我が国のウラン濃縮技術開発は,20年以上にわたり着実に進められ,約50トンSWU/年の能力を有する遠心分離法によるパイロットプラントが動力炉・核燃料開発事業団の手により昭和57年から全面的に運転されてきており,さらに,昭和60年度より商業プラントへの橋渡しとなる同法による原型プラント(200トンSWU/年)の建設も資金分担を含めた民間の協力を得て開始されている。この間,遠心分離機の性能の着実な向上がみられ,また,プラント建設コストの低減に必要な遠心分離機の量産製造技術も確立されつつある。
ウラン濃縮の事業化については,昭和59年に遠心分離機製造メーカーとしてウラン濃縮機器(株)が,昭和60年にウラン濃縮事業主体として日本原燃産業(株)が各々設立されたことにより所要の体制が整備され,最終規模1,500トンSWU/年の能力を有する商業プラントを青森県六ヶ所に建設する計画が地元の了解も得て進められている。
(2)世界的には,ウラン濃縮役務供給能力過剰の状況の中で,欧州諸国,ソ連の濃縮事業体はウラン濃縮役務価格の引き下げを図るなど活発な活動を展開しており,一方,以前には世界のウラン濃縮役務の供給について独占に近い地位を占めていた米国は,これらの濃縮事業体によりその競争力を失いつつある。このような情勢を受けて米国エネルギー省は,昭和60年6月に世界的な競争力再構築のための濃縮事業新戦略を発表した。
ここで示された米国エネルギー省の新戦略は,2000年(昭和75年)頃までは既存のガス拡散工場の運用の合理化(3工場中1工場を待機状態へ移行,安価な電力の利用等)及び役務基準改訂により競争力の維持を図ることとし,一方,長期的には利用可能な最良の濃縮技術の開発をめざし,そのため米国の技術的優位性を最大限に生かすこととして,開発対象を原子レーザー法一つに絞りその研究開発及び実証を進めるとするものである。
その後,ガス拡散工場の運用合理化措置,新役務基準案の発表は行われたものの,米国エネルギー省の濃縮事業民営化の動きとからみ,一時の米国関係者の発言等にもかかわらず,予算措置が先送りされる等,原子レーザー法の研究開発が当初の計画どおり順調に進められるか否かについては今後の動向を注目する必要がある。
また,米国と同様にガス拡散法によりウラン濃縮事業を行っているフランスも長期的に国際競争力を維持するために原子レーザー法技術開発を積極的に推進する方針とみられる。
一方,西ドイツにおいては将来に備えて分子レーザー法の技術開発を着実に進めており,また,イギリス,西ドイツ,オランダの共同事業体であるウレンコは遠心分離が十分競争力を持つた技術であるとして,当面は遠心分離法技術の高度化を中心に開発を進めるものと思われる。
(3)こうした内外の諸情勢に照らし,我が国の自主的核燃料サイクルの要であるウラン濃縮を,事業としてどのように展開すべきか,また,これを支える技術開発戦略はいかにあるべきかを具体的に検討することが必要となっている。
3.我が国におけるウラン濃縮事業確立の意義と今後の基本方策
(1)昭和57年決定の原子力開発利用長期計画によれば,①「単に濃縮ウランの安定供給を確保する見地ばかりでなく,プルトニウム利用等を含め核燃料サイクル全体の自主性を確保する観点から濃縮ウランの国産化を進める」こととし,②「1995年頃に1000トンSWU/年,2000年頃に3000トンSWU/年程度の規模とすることが妥当」であるとした上で,③「この国産化の目標を達成するため,遠心分離法について信頼性,経済性の向上に努め,国際競争力を持つたウラン濃縮事業の確立を図ること」との方針を明らかにしている。
(2)上記(1)①の「核燃料サイクル全体の自主性を確保する観点」の意義については,現在進捗を見ている日米原子力協議によって,日米原子力平和利用協定が再処理に関する包括同意方式等へと改訂された場合に事情が変化する可能性を期待する向きもあるが,これによっても濃縮ウランに係る規制権の存在自体は基本的に変わるものではなく,したがって,上記の意義に変わりはないものと考える。
(3)また,我が国におけるウラン濃縮事業の確立は,国際市場における濃縮役務価格に対する抑制効果を持ち,かつ,結果的に我が国の国際的立場の強化につながり,また,関連する濃縮技術開発及びその実用化が全く新しい高度技術分野に刺激を与え,産業基盤の活性化あるいは新しい分野への拡大に貢献するというような側面も期待される。
(4)一方,世界的には濃縮役務供給能力過剰の状況がしばらくは続く見込みであること,濃縮役務供給能力は比較的偏在することなく複数の先進国に分布すること,何らかの異常によって濃縮役務の供給が停止されるような事態に至ったと仮定しても,再転換や燃料加工の工程における在庫等を勘案すればこれに対処する時間的余裕が1年以上あることなどから,濃縮役務供給の安定的確保については,直ちに問題となるような状況にはない。
したがって濃縮事業拡大のテンポについては,市場競争力についての彼我の状況を踏まえつつ慎重に検討することが望ましいとの指摘がなされた。
(5)以上を踏まえ,我が国において健全な濃縮事業を確立する基本方策としては,まず第一に濃縮事業主体及び遠心分離機製造メーカーが自立しうるのに必要な規模の濃縮事業をまず立ち上げ,その立ち上げを通じて濃縮事業者側の事業拡大努力とメーカー側の低コスト化努力との間に拡大的に呼応しあう有機的関係の成立を期待することが妥当と考えられる。
(6)こうした考えに立てば,2000年頃に3000トンSWU/年程度の規模とするという目標は,我が国濃縮事業確立の指標と考えられるものであり,経済性の向上を図りつつ,その達成のため関係者の一致した努力が払われる必要がある。さらに,事業主体による国際競争力強化の努力によっては,我が国の濃縮事業規模がこの目標を上回って発展することも期待される。
(7)経済性の向上を図るためには,新技術を適切に導入することが肝要である。
新技術の採用は濃縮事業者の責任において行うべきものではあるが,研究開発の状況,メーカー体制整備等との整合性を図る観点から,開発の進捗に応じて,新技術の採用に至るまでの推進方策について関係者間での基本的合意を得て進める必要がる。
4.今後の技術開発戦略
(1)遠心分離法ウラン濃縮技術の高度化
在来材料を用いた集合型遠心機については,数百台規模の信頼性試験も順調に進んでおり,量産技術,周辺プラント技術の開発成果も含めて,原型プラント及び商業プラントに採用できる段階に至っている。
しかし,在来材料を用いた遠心機では,回転胴周速の増大に伴う材料強度の制約により,これ以上の飛躍的な性能向上が期待できない状況にあるため,動燃事業団は回転胴メーカーの協力も得ながら新素材高性能遠心機の開発に取り組み,すでに単機レベルでは当面の目標性能をほぼ満足する成果を得,今後にブロック試験規模(約50台のカスケード)及びパイロット試験規模における実証を必要とするものの,技術的には実用化の見通しが得られつつある。今後,これらの開発実証に加えて新素材高性能遠心機量産製造技術の確立等によりコストダウンが図られれば,商業プラントの濃縮役務コストの低減に貢献し得るものと期待されるに至っている。
新素材高性能遠心機は遠心機単機性能において大きな性能向上が図れるだけでなく,既存の遠心分離技術あるいは設備と整合性がよく,濃縮事業への導入にリスクが小さいなどの特長をもつている。このため,官民の有機的連携の下に,関係者の人的交流も含めた積極的な対応により,新素材高性能遠心機についてできるだけすみやかに実用化への見通しを得るよう開発を進めることとし,昭和65年度頃を目途に遠心機に関するブロック試験規模の実証及びそれに対応する量産製造技術開発を完了するよう計画を加速推進する必要がある。
したがって,動燃事業団と日本原燃産業(株),電気事業者の共同研究や,民間の行う量産製造技術開発への国の支援措置,さらにはこれら当事者による全体実施計画の策定,調整などによって,上記計画を円滑に推進する必要がある。
また,開発の進展状況等を踏まえ,開発成果につきチェック・アンド・レビューを行うとともに,適切な時期にパイロット試験以降の開発計画の検討を行うのが妥当である。
なお,新素材高性能遠心機の開発については,添付資料1にさらに詳細に取りまとめた。
(2)レーザー法ウラン濃縮技術開発への取り組みの強化
本技術開発は我が国では基礎的段階にあり,十分な見通しを得るには今後の開発の成果に待たねばならない。しかしながら,我が国としては,次の理由から,これへの取り組みを強化する必要がある。
① レーザー法ウラン濃縮技術については,潜在的に大幅なコスト低下が可能と期待されるものとして既に米国及びフランスで開発が進められている。我が国としてもウラン濃縮事業が長期的にみて国際競争力を保有し続けるためには,諸外国の先進ウラン濃縮技術に匹敵する低コスト技術を保有する必要があり,このため技術開発を推進することが重要である。
② ウラン濃縮技術のような原子力開発にとって枢要かつ機微な技術については,その次世代技術として国際的に有力視されているレーザー法を積極的に開発していくことは主要原子力開発国である我が国としては当然のことであり,またナショナル・セキュリティ上からも重要である。
③ レーザー法ウラン濃縮におけるレーザー技術,とりわけ大出力で波長可変のレーザーは単に原子力技術のみならず他の科学技術分野におけるブレーク・スルーを生む大きな可能性を秘めている。また,溶融金属技術,電子ビーム技術,希薄流体技術なども発展性のある技術分野として注目されている。これらの尖端技術の開発促進にも,レーザー法ウラン濃縮技術は重要な役割を果たすものである。
レーザー法ウラン濃縮は,米国のように既にプラント規模での実証に着手しつつある国もあるが,我が国としては実用プラントに至るには内外のレーザー技術の進歩等も考慮するなど多面的な研究開発が必要とされる。また,米国と我が国とでは,再処理回収ウランの再利用の必要性や濃縮ウランの需要規模等においても,置かれている状況に差がある。
したがって,我が国の技術開発においては,関連する技術の進歩や諸外国の技術水準を十分見極めつつ独自の立場から適時チェック・アンド・レビューを行い,段階的かつ効率的に研究開発を進めていくことが望ましい。
このため,原子法,分子法について,当面それぞれ次の技術水準を達成することを目標とすることが妥当と考えられる。
① 原子法については,同システムの工学的,経済的評価を体系的に行うために必要不可欠なデータベースの整備を図りつつ,先行する米,仏の技術水準にできるだけ速やかに近づくことの緊要性から,技術開発努力を結集して,機器の開発を進め,年間トンSWU相当の約5%の濃縮のシステム試験を昭和65年度頃までを目途に実施し,実用化に至るまでの工学的問題点の摘出検討を行う。
なお,回収ウランの再濃縮へ応用した場合の有利性についての検討に着手する。
② 分子法については,原理実証試験を引き続き推進し,昭和62年度頃までに原理的に約5%の濃縮が可能であること確認する。更にその成果を踏まえて,昭和65年度頃に原子法との比較評価を行いうるよう努める。
レーザー法ウラン濃縮技術開発に当たっては,広範囲の技術力を結集することが不可欠であること及び米国エネルギー省の発表にあるように遠心分離法よりも格段に技術集約的であるとみられ従来にも増して長期にわたる効率的な研究開発努力が必要であることから,産・学・官の協力の下に加速的に推進することが必要である。
また,その実施にあたっては,核不拡散等国際的側面にも十分留意し,かつ,官民が有機的連携を図りつつ効率的に進められるよう,原子力委員会の下に,関係者の考え方を十分踏まえて研究の推進調整を行うとともにチェック・アンド・レビューを実施する場を設けることが妥当である。
なお,原子法については,当面数年間は,研究組合方式による民間を中心としたターゲットを絞つた集中的開発と,日本原子力研究所等による長期的・基盤的な研究開発とが,補完し合いつつ進められることが適当であるが,将来的には,成果をみた上で改めて官民の協力体制を含め推進方策について必要に応じ見直すものとする。
また,分子法については,当面理化学研究所において六フッ化ウラン取扱経験の豊富な動力炉・核燃料開発事業団の協力を得て原理実証研究を進めるとともに,データベースの整備を図ることとし,その成果をみた上で原子法との関係も踏まえ,推進体制等を検討する必要がある。
(3)化学法ウラン濃縮技術開発の継続
化学法は濃縮所要エネルギーが小さく,装置が簡単であるなどの利点を有することが認識されたことから,我が国では昭和47年から民間(旭化成工業(株))において鋭意開発がすすめられてきた。この間,吸着材の交換性能等に大きな技術的進展があり,現在トンSWU/年クラスのモデルプラントで実用化への見通しを得るための試験に取り組んでいる。同法については,今後の進展を見守りつつ,適切な時期に評価を行う必要がある。
添 付 1.新素材高性能遠心機の開発について
2.レーザー法技術ワーキング・グループ報告書
添付1
新素材高性能遠心機の開発について
昭和61年10月6日
1.はじめに
遠心分離法によるウラン濃縮技術は,これまでの動燃事業団を中心とする研究開発の結果,我が国の濃縮事業に導入されるまでに開発が進展した。
しかし,濃縮事業の今後の展開を見通した時,国際的なウラン濃縮役務供給能力過剰からくる役務価格低下のすう勢や,為替レートの円高傾向により国際競争力低下の懸念があることなど厳しい環境に置がれることが予想され,次世代技術として大幅なコストダウンにつながる革新的な濃縮技術が切望されているところである。
新素材高性能遠心機は遠心機単機性能において大きな性能向上が図れるだけでなく,既存の遠心分離技術あるいは設備と整合性がよく,濃縮事業への導入にリスクが小さいなどの特長を持つている。したがって,画期的なウラン濃縮技術として期待がかけられているレーザー法技術と共に適切な時期に評価検討し,実用化への見通しが得られるよう,その開発を確実に進めておく必要がある。
以下に,新素材高性能遠心機開発の現状と,この開発を円滑に進めるための方策を取りまとめる。
2.遠心法技術の現状評価と今後の課題
動燃事業団を中心する研究開発の結果,在来材料を用いた集合体型遠心機については,数百台規模の信頼性試験も順調に進んでおり,量産技術,周辺プラント技術の開発成果も含めて,原型プラント及び商業プラントに採用できる段階に至っている。
しかし,在来材料を用した遠心機では,回転胴周速の増大に伴う材料強度の制約により,これ以上の飛躍的な性能向上が期待できない状況にあるため,動燃事業団は回転胴メーカーの協力も得ながら新素材高性能遠心機の開発に鋭意取り組み,すでに単機レベルでは当面の目標性能をほぼ満足する成果を得,今後にブロック試験規模(約50台のカスケード)及びパイロットプラント試験規模における実証を必要とするものの,技術的には実用化の見通しが得られつつある。今後,これらの開発実証に加えて新素材高性能遠心機量産製造技術の確立等によりコストダウンが図られれば,商業プラントの濃縮役務コストの低減に大きく貢献し得るものと期待されるに至っている。
(1)新素材高性能遠心機開発の現状は以下の通りである
・単機分離性能は,当面の目標をほぼ達成。
・機械的安定性は,在来型遠心機と大差ないことを確認。
・回転胴破壊時において,対応策の有効性を確認。
・寿命の確認については長期試験中。
(2)実用化への見通しを得る段階に至らしめるためには,新素材高性能遠心機の最小規摸カスケード及びブロック試験等による次の開発項目について実証を終える必要がある。
・回転性能及び分離性能の連続安定化
・カスケードの基本特性の確認
・耐故障性の確認
・低コスト化,量産化に適した遠心機設計の確立
・集合機化
また,これと並行して実施されるべきコストダウンを目指した量産製造技術の主な開発項目は以下の通りである。
・遠心機各部の製造技術の開発・遠心機の品質保証のための検査技術開発
3.新素材高性能遠心機開発の推進方策
(1)官民の有機的連携の下に,関係者の人的交流も含めた積極的な対応により,新素材高性能遠心機についてできるだけすみやかに実用化への見通しを得るよう開発を進めることとし,昭和65年度頃を目途に遠心機に関するブロック試験規模の実証及びそれに対応する量産製造技術開発を完了するよう計画を加速推進する。
(2)最小規模カスケード試験,ブロック試験を中心とする新素材高性能遠心機の開発については,動燃事業団が,ウラン濃縮事業主体である日本原燃産業(株)及び電気事業者との共同研究により,メーカーの協力も得て加速実施する。
(3)新素材高性能遠心機のコストダウンを目指した量産製造技術の開発については,日本原燃産業(株),電気事業者及びメーカーが,動燃事業団の技術的協力を受けつつ加速実施する。民間におけるこれらの技術開発を促進するため,国は適切な支援措置を講ずることとする。
(4)動燃事業団,日本原燃産業(株),電気事業者及びウラン濃縮機器(株)は,全体実施計画の策定,調整を行いつつ開発を推進する。
(5)上記(1)~(2)によりブロック試験までの開発を当面推進し,開発の進展状況等を踏まえ開発成果につきチェック・アンド・レビューを行うとともに,すみやかな実用化を目指し,ブロック試験及び量産製造技術開発の進捗状況を見つつ,適切な時期にパイロット試験以降の開発計画の検討を行う。
添付2
ウラン濃縮懇談会レーザー法技術―キング・グループ報告書
昭和61年4月21日
1.はじめに
原子力委員会ウラン濃縮懇談会の下に設けられた当ワーキング・グループでは,原子レーザー法ウラン濃縮技術(以下「原子法」という。)及び分子レーザー法ウラン濃縮技術(以下「分子法」という。)について,関係者からのヒアリング等も行いその現状の把握に努めると共に,開発課題の摘出,開発の推進方策等について,鋭意調査審議を進めてきた。
本技術開発は我が国では基礎的段階にあり,十分な見通しを得るには今後の開発の成果に待たねばならないが,当ワーキング・グループでは現段階の知見を基に検討した結果の以下の通りとりまとめた。
2.レーザー法ウラン濃縮技術開発の意義
(1)レーザー法ウラン濃縮技術については,潜在的に大幅なコスト低下が可能と期待されるものとして既に米国及びフランスで開発が進められているところである。我が国としてもウラン濃縮事業が長期的にみて国際競争力を保有し続けるためには,諸外国の先進ウラン濃縮技術に匹敵する低コスト技術を保有する必要があり,このため技術開発を推進することが重要である。
(2)ウラン濃縮技術のような原子力開発にとって枢要かつ機微な技術については,その次世代技術として国際的に有力視されているレーザー法を積極的に開発していくことは主要原子力開発国である我が国としては当然のことであり,またナショナル・セキュリティ上からも重要である。
(3)レーザー法ウラン濃縮におけるレーザー技術,とりわけ大出力で波長可変のレーザーは単に原子力技術のみならず他の科学技術分野におけるブレーク・スルーを生む大きな可能性を秘めている。また,溶融金属技術,電子ビーム技術,希薄流体技術なども発展性のある技術分野として注目されている。これらの尖端技術の開発促進にも,レーザー法ウラン濃縮技術は重要な役割を果たすものである。
3.レーザー法ウラン濃縮技術開発の現状と課題
(1)原子法の現状と見通し
我が国においては,大阪大学,日本原子力研究所等において約10年ほど前から基礎的な研究が進められ,高い分離係数が観測されている。昭和59年度からは日本原子力研究所において工学基礎試験が,昭和64年度までの6か年計画で進められている。他方,メーカーも日本原子力研究所における研究に対する機器製作を通じ,あるいは自社研究として,銅蒸気レーザー,エキシマレーザー等の開発を進めつつある。また,分離セルについては,材料,構造等を含め日本原子力研究所が基礎的試験を実施しているほか,メーカーにおいても実用化のための基礎的な研究及び構造概念についての検討を進めているところである。それらの開発ポテンシャルについてみれば,多くのメーカーは銅蒸気レーザー等レーザー開発については既存の技術をベースに相当の努力を払うことで対応可能としている。他方,分離セルについては,材料面,構造面でオプションが多く,基本的なところからの技術的検討が必要とされている。従って,コストを含めて技術の見通しを明らかにするためには,基礎データの収集等データベース整備を行い基礎からの積み上げを行うとともに,個々のコンポーネントの大型化,長寿命化等の開発が相互に連携をとりながら,システムとしての整合性を保ちつつ開発が進められることが必要であると考えられる。また,将来の実用化を念頭に置いた場合,今後のレーザー技術の進歩によっては銅蒸気レーザーと色素レーザーの組み合わせ以外のレーザーが有力になる可能性もあるとの見方もあり,他の方法も幅広く検討するなどレーザー技術全体を見通した開発も必要である。
(2)分子法の現状と見通し
米国とフランスでは数年前から原子法に的を絞って研究しているのに対し,西ドイツでは分子法をとりあげ研究を進めている。我が国の民間企業はこれまで分子法についてはほとんど自社研究を行っておらず,主として理化学研究所が中心となって昭和60年度から3ケ年計画で原理的な実証研究を進めている。理化学研究所では最近諸外国に先んじて高効率高出力ラマンレーザーの実験的および理論的研究に成功し,今後超音速分子流の基礎研究と併せることにより,経済的なウラン濃縮が可能)こなると考えている。
その開発ポテンシャルについてみれば,炭酸ガスレーザー技術や六フッ化ウラン取扱技術など,これまでに比較的経験のある技術をベースに対応し得る部分もある反面,大出力高くり返し選択励起用レーザー技術,大型超音速ノズル型反応装置などは今後ポテンシャルを高めるこ)とが必要である。
分子法は原子法に比べて原理的には分離係数が小さいといわれているが,高温のウラン金属を取り扱わないこと及び遠心分離法などの在来技術と同じ六フッ化ウランを取り扱うことから材料面での困難さが少ないと考えられる。今後は多光子過程やそれに伴う反応′と生成物処理に関する課題を解決していく必要がある。
(3)レーザー法ウラン濃縮技術開発の課題
レーザー法ウラン濃縮技術は,レーザー技術,材料技術等広範囲の技術分野に支えられ,かつ,物理的,化学的な基礎研究分野における蓄積が極めて重要な技術と位置付けられる。原子法と分子法とでは,取扱う温度範囲,製品の回収方法等の面で異なっており,それぞれの特性に応じた開発アプローチが必要とされる。
原子法,分子法は,それぞれ現在の技術段階は異なっているが,実用化に向けて解決しなければならない主な技術課題は以下の通りである。
① 原子法
・銅蒸気レーザーの高出力化,長寿命化
・色素レーザーの波長制御,高出力化
・分離セル
電子ビーム加熱システム等蒸気発生の最適化
製品及び劣化ウランの連続回収技術
高温耐食性材料の開発
・転換,再転換技術
・保障措置技術
・プラント設計技術
② 分子法
・炭酸ガスレーザーの高くり返し化,長寿命化
・ラマンレーザーの高くり返し化
・複数レーザーの光結合技術,光学素子の開発
・超音速ノズル型反応装置,粉体捕集技術
・プラント設計技術
なお,原子法,分子法に共通的な事項として,基礎的なデータの蓄積,先端レーザー技術の開発,更には新しい分離スキームの開発等も重要な課題である。
4.レーザー法ウラン濃縮技術開発の目標
レーザー法ウラン濃縮は,米国のように既にプラント規模での実証に着手しつつある国もあるが,我が国としては実用プラントに至るには内外のレーザー技術の進歩等も考慮するなど多面的な研究開発が必要とされる。また,米国と我が国とでは,再処理回収ウランの再利用の必要性や濃縮ウランの需要規模等においても,置かれている状況に差がある。
従って我が国の技術開発においては,関連する技術の進歩や諸外国の技術水準を十分見極めつつ独自の立場から適時チェック・アンド・レビューを行い,段階的かつ効率的に研究開発を進めていくことが望ましい。
原子法,分子法について,当面それぞれ次の技術水準を達成することを目標とすることが妥当と考えられる。
① 原子法
i)工学基礎試験を引き続き推進するとともにデータベースの整備を行い,できるだけ早期に年間kgSWU相当の約5%の濃縮の技術的実証を行う。
なお,資源の乏しい我が国としては再処理からの回収ウランの再濃縮への応用の可能性を見極めることが重要であり,そのための検討に着手する。
ii)先行する米,仏の技術水準にできるだけ速やかに近づくことの緊要性から,技術開発努力を結集し,機器の大型化,長寿命化等を図り,年間tswu相当の約5%の濃縮のシステム試験を昭和65年度頃までを目途に実施し,実用化に至るまでの工学的問題点の摘出検討を行う。
② 分子法
原理実証試験を引き続き推進し,昭和62年度頃までに原理的に約5%の濃縮が可能であることを確認する。
更にその成果を踏まえて,昭和65年度頃に原子法との比較評価を行いうるよう努める。
5.レーザー法ウラン濃縮技術開発の推進方策
(1)レーザー法ウラン濃縮技術開発に当たっては,広範囲の技術力を結集することが不可欠であること及び米国エネルギー省の発表にあるように遠心分離法よりも格段に技術集約的であるとみられ従来にも増して長期にわたる効率的な研究開発努力が必要であることから,産・学・官の協力の下に加速的に推進することが必要である。
研究開発の実施に当たっては,官民が有機的連携を図りつつ効率的に進められるよう,原子力委員会の下に,関係者の考え方を十分踏まえて研究の推進調整を行うとともにチェック・アンド・レビューを実施する場を設けることが望ましい。
(2)国はレーザー法ウラン濃縮技術について主として次の役割を果たすことが適切であると考えられる。
① 長期的見地から極めて重要なウランの吸収波長に関する詳細なデータ,ウラン原子及び六フッ化ウラン分子の物性等,データベースの整備を行うとともに工学基礎試験及び原理実証試験を引き続き推進すること
② 安全性の確保,機微な情報の管理に万全を期すため所要の措置を講ずるほか,産・学・官協力による効率的開発体制を組織し,併せて民間における技術開発に対する支援措置を講ずることなお,レーザー法による再処理回収ウランの再濃縮技術について,我が国全体の原子力開発計画との関連において検討し,基礎的な研究を行うこと
③ ウラン濃縮においても実用化時期においてオプションとなり得る先端レーザー研究を推進すると共に,ウラン濃縮分野のみならず他の分野にも広く貢献するレーザー研究等関係科学技術の研究開発を推進すること
(3)原子法については,国は,日本原子力研究所における工学基礎試験を引き続き進めるとともに,同研究所においてレーザー光とウラン蒸気の相互作用に関する基礎データ等データベースの整備に努める。また,動力炉・核燃料開発事業団において,これまでの経験を基に,金属ウランの物性に関する研究を進める。
また,民間とりわけ電気事業者等は,米国とフランスが積極的に開発を進めていることもあり,技術開発の最終的な受益者として多大の関心を有しており,相当程度自らの負担とリスクにおいて意欲的に取り組みたいとしている。このように,ウラン濃縮の事業化をめざして電気事業者等がメーカーを活用して,数年程度をかけて,年間tswu程度の濃縮に対応するシステム試験を実施するため機器開発をしようとすることは,民間の活力を生かすとの見地からは望ましいものであると考えられる。
この計画は,内容及び目標を限定し,かつ明確化して当面の技術開発を行うこととしているが,実施に当たっては,技術管理体制の整備,外部研究機関との協力関係の円滑化等の観点から法人格を有する組織を設置することが有効であり,研究組合方式の活用が考えられる。
研究組合による技術開発の推進を図るに際しては,競争原理の導入に努める一方,日本原子力研究所における研究と密接な連携を保ちつつ進めるとともに,動力炉・核燃料開発事業団,大学等の機関から基礎データの提供等技術的支援を受けることにより効率的な開発となるよう留意することが適切と考えられる。
他方,再処理からの回収ウランの再濃縮への応用については,プラント規模や選択励起スペクトルなどの面で通常のレーザー法ウラン濃縮技術とは異なる可能性があり,基本的なところからの検討を要し,当面は国が主体となって研究を進めていくことが望ましい。
また,工業規模でのウラン濃縮の保障措置についてみれば,遠心分離法の場合において核兵器国と非核兵器国との平等性の確保,商業的価値を有する情報の保護等をめぐり厳しい交渉が行われたことに鑑み,我が国が経済性あるレーザー法商業プラントを実現していくためには,国際的な保障措置への対応についても十分配慮していくことが必要である。
以上をとりまとめれば,当面数年間は,民間を中心としたターゲットを絞つた集中的開発と,国の長期的・基礎的でかつ核不拡散等国際的側面にも十分留意した研究開発とが,補完し合いつつ進められることが適当であるが,将来的には,成果をみた上で改めて官民の協力体制を含め推進方策について必要に応じ見直すものとする。
(4)分子法については,当面理化学研究所において六フッ化ウラン取扱経験の豊富な動力炉・核燃料開発事業団の協力を得で原理実証研究を進めるとともに,データベースの整備を図ることとし,その成果をみた上で原子法との関係も踏まえ,推進体制等を検討する必要がある。
「高温ガス炉研究開発計画専門部会」報告書
昭和61年12月23日
原子力委員会高温ガス炉研究開発計画専門部会
序
本年3月に設置された本専門部会は,多目的高温ガス実験炉計画を定めた現行の原子力開発利用長期計画(昭和57年6月30日,原子力委員会)策定後,近年の日本原子力研究所(現研)等における高温ガス炉技術に関する技術的知見の蓄積及び核熱プロセス利用の需要の動向等高温ガス炉を取りまく社会情勢の変化に鑑み,高温ガス炉研究開発の意義,高温ガス炉研究開発の現状及びそれを取りまく状況並びに今後の研究開発の進め方についてこれまで鋭意審議,検討を行ってきた。
去る8月には,① 高温核熱の産業界での利用については,その技術的見通しはあるものの近い将来に経済性が成り立つ情勢にないため,現行の長期計画に示された実験炉を建設する計画は見直すことが適当である。
② 高温熱供給,高い固有の安全性,燃料の高燃焼度等の優れた特性を有する高温ガス炉の研究開発は,安全性の確保の下に経済性の向上,利用分野の拡大などの課題の解決に寄与することが期待できる点で,我が国の原子力開発上大きな意義を有しており,近年の社会情勢の変化に拘わらずこの認識に変わりはない。エネルギー資源の乏しい我が国においては,特に高温熱供給による原子力利用分野の拡大により将来のエネルギー供給の多様化に資する可能性を高めておくことが重要であり,これまでに蓄積された技術及び人材を分散させることなく,引き続き高温ガス炉技術の基盤の確立と高度化を展開していくべきである。さらに,高温ガス炉施設を利用する各種の高温に関する先端的基礎研究は,将来の技術革新の契機となる新技術の創生に大きく貢献することが期待される。
③ このため,高温ガス炉技術の基盤の確立及び高度化を図るため,また高温に関する先端的基礎研究を実施するための施設として,高温照射機能等所要の機能を有する高温ガス試験研究炉を早急に建設することが適当である。
ことをその主な内容とする中間報告(別添)を取りまとめ,高温ガス炉研究開発の意義,高温ガス炉研究開発の現状及びそれを取りまく状況並びに高温ガス試験研究炉を軸とする我が国における高温ガス炉研究開発の今後の進め方について,原子力委員会に報告したところである。
その後,本専門部会は,この中間報告を取りまとめた際に今後の検討課題とされた,高温ガス炉技術の基盤の確立と高度化及び高温に関する先端的基礎研究についての具体的な研究開発課題及びの進め方,国内における研究開発推進体制並びに国際協力の展望について検討を行い,今般以下のとおり取りまとめた。
この報告書に示した研究開発は,長期間に亘るものであるため,必要に応じ適宜見直しを行いつつ,長期的視点に立つて着実かつ積極的に推進することが重要である。
1研究開発課題及びその進め方
(1)高温ガス炉技術の基盤の確立汲び高度化
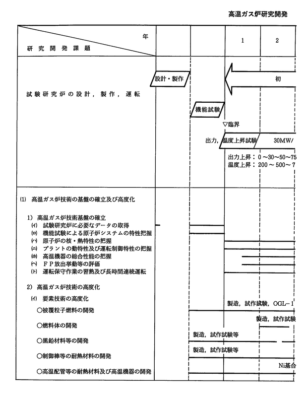
これまでに蓄積されている研究開発の成果を基に試験研究炉を建設し,高温ガス炉技術の基盤の確立及び高度化を図るための研究開発を進めるものとする。試験研究炉は次の機能を満足するものとするので,炉出力は30MWt程度が必要である。
・燃料体に関する実寸大照射試験,燃料破損限界試験,計装付き照射試験等が行えること。
・炉心構成材料に関する大型試料の高温照射試験,計装付き照射試験等が行えること。
・原子炉出口冷却材温度は,現在の技術レベルで達成可能な850°Cから段階的に上昇させ,また中間熱交換器を介しての核熱プロセス利用技術の開発が行えること (将来的には,原子炉出口冷却材温度950°C以上を目標とすることが望まれる。)
なお,必要に応じ,大型構造機器実証試験ループ(HENDEL),大洗ガスループ(OGL-1)等の既存の試験装置を活用した実験等をもつて補完しながら研究開発を進めていくこととする。
以下に研究開発課題ごとの研究開発の進め方を示す。
1)高温ガス炉技術基盤の確立
これまでに蓄積されてきている燃料・材料,炉物理,炉工学,高温機器等要素技術に関する技術的知見及び炉設計技術を用いて,試験研究炉の設計,製作,運転を行い,核・熱・動特性,プラント運転制御特性,燃料燃焼特性,核分裂生成物(FP)放出挙動等の解析・評価を進め,高温ガス炉システムの総合特性(高い固有の安全生,容易な運転・保守,高い燃料効率,少ない放射生廃棄物等)を把握するとともに長時間連続運転を行い,炉から高温ヘリウムガスが安定に供給できることを実証することにより自主技術基盤を確立する。この場合,高温ガス炉技術が未踏領域を含むことから種々の問題に遭遇することも予想されるが,これらの問題を自らの手で解決し,技術蓄積を行っていくことが極めて重要である。
高温ガス炉技術基盤の確立のため,試験研究炉の設計,製作,運転を通じて実施すべき研究開発課題は次のとおりである。
(イ)試験研究炉に必要なデータの取得
試験研究炉に必要なデータの内,耐熱金属材料の長時間クリープ等原子炉の寿命予測に関するデータ等を取得する。
(ロ)機能試験による原子炉システムの特性把握
原子炉臨界,出力上昇試験に先立ち,機器単体及び原子炉システムの総合機能試験を行い,黒鉛ブロック炉心積み上げ,燃料交換作業等に習熟するとともに,原子炉内冷却材流動特性,系統からのヘリウムガス漏洩特性等を把握する。
(ハ)原子炉の核・熱特性の把握
臨界試験及び出力上昇試験を通じて,原子炉の反応度係数,炉心内温度分布等を測定し,原子炉の核・熱特性を把握する。
(ニ)プラントの動特性及び運転制御特性の把握
ヘリウムガス熱交換系及び加圧水熱交換系の並列負荷システムについて,高温熱利用を想定した種々の状態値からの変動特性を詳細に測定し,総合的にプラントの動特性及び運転制御特性を把握する。
(ホ)高温機器の総合性能の把握
高温かつ種々の不純物等を含む原子炉の実雰囲気中での黒鉛,耐熱金属等の高温材料及びガス循環機,弁,配管等の高温機器の総合性能を評価する。
(へ)FP放出挙動等の評価
燃料からのFP放出,1次系におけるFP沈着等プラントにおけるFP挙動,各部の遮蔽性能等を評価する。
(ト)運転保守作業の習熟及び長時間連続運転
運転,保守,修理を通じて,高温ガス炉特有の高温機器等を含む高温ガス炉プラントの運転保守作業等に習熟するとともに,その成果を踏まえて長時間連続運転を達成する。
2)高温ガス炉技術の高度化
高温ガス炉の高性能化及び経済性の向上を目指して,高温ガス炉技術の高度化を図るための研究開発課題としては,「要素技術の高度化」,「炉心特性の高性能化」,「高温熱利用技術の確立と熱効率の向上」及び「パッシプセイフティ(静的機器のみによる炉心冷却)技術の確立」が挙げられる。
(イ)要素技術の高度化
これまでに蓄積された要素技術に関する技術的知見を基礎として,高性能高温ガス炉を目指した技術の高度化を図る必要がある。
被覆粒子燃料については,出力密度,燃焼度等の性能の高度化のため高温,長時間使用におけるFP保持能力の向上を図ることが重要である。このため,zrc被覆粒子の開発,FPゲッタ入り燃料核,UCO燃料核等の試作試験を行い,OGL-1等を用いた照射試験により,高照射下での各被覆層の高温(約1400°C)における強度,化学的安定性を解明する。
また燃料体については,燃料表面伝熱促進リブ付き燃料棒,燃料体内部熱抵抗の低下を図った 一体成型ブロック燃料体,中空型ペブル燃料等について開発試験を行う。このため,試験研究炉を用いた各種実寸大燃料体の照射試験,燃料破損限界を明らかにする試験等を行い,総合特性(強度, FP保持特性等)を把握し高性能化を図る。
燃料体,反射体等に用いられる黒鉛材料及び黒鉛/炭素系複合材料につていは,高強度,高温・高照射下での寸法安定性が重要であり,試験研究炉を用いた各種黒鉛材料等についての照射試験により物性,強度,耐食性等の特性を把握し,より優れた材料を開発する。
また,制御棒等に用いられる耐熱材料についても,試験研究炉を用いた照射下クリープ試験等を行い,高温強度,耐照射脆化特性等に優れた材料を開発する。
高温配管用内張材,中間熱交換器伝熱管等に用いられる耐熱材料については,約1000°Cのヘリウムガス雰囲気における高温強度,耐食性等の向上を図るため,改良Ni基合金,Ni-Cr-W合金等について材料試験,構造工学試験を行い,高性能な材料を開発する。さらに,それらの材料を用いた中間熱交換器等の高温機器について,HENDELによる総合機能試験を行い,構造健全性を実証する。
(ロ)炉心特性の高性能化
試験研究炉の高性能炉心として,炉心出口冷却材温度950°C,出力密度5 ~10W/cm2,燃料の燃焼度約100GWD/Tを目標に炉心特性の高性能化を図る。
このため,要素技術試験で開発された燃料体,黒鉛構造物,制御棒等により試験研究炉に高性能炉心を構成,運転し,その炉心特性を解明しつつ向上を図る。
さらに,炉心出口冷却材温度1000°C以上,出力密度約20W/cm2及び燃料の燃焼度約200GWD/Tの達成を目標に,試験研究炉の照射領域を用いた燃料開発試験等を行う。
(ハ)高温熱利用技術の確立と熱効率の向上
熱化学分解法による水素製造,メタン水蒸気改質等の高温熱利用システムの開発研究を行い,核熱プロセス利用技術の確立を図るとともに,コージェネレーション技術の検討等を行い,プラント熱効率の飛躍的向上を図る。
このため,要素技術試験で開発した材料及び機器を用いた熱利用系パイロットプラント試験の後,試験研究炉に中間熱交換器を介して熱利用系を接続し,900°C近い高温の熱を用いた実証試験を行う。
(ニ)パッシブセイフティ技術の確立
試験研究炉の初期炉心及び高出力密度高性能炉心等を用い,冷却材流量喪失等の炉心昇温事故を模擬した実証試験を行い,高温ガス炉特有の安全性の限界を把握するとともに,パッシブセイフティ (静的機器のみによる炉心冷却)技術を確立する。
また,必要に応じ,HENDEL等による安全比シミュレーション試験を行う。
(2)高温に関する先端的基礎研究
温度400~1100°C,照射孔径10~30cm程度の照射領域を有し,大型試料の高温照射試験,計装付き照射試験が実施可能等の機能を有する試験研究炉を利用し,各種の高温に関する先端的基礎研究を行うこととする。
現段階で考えられる研究課題は以下の通りである。
① 材料照射試験
(イ)セラミックス材料について,照射下クリープ等の高温照射特性,大型試料を用いたヘリウム脆化と高温照射効果の関係の究明のための試験等を行う。
(ロ)金属材料について,大型試験片を用いた原子炉容器構造材料及び耐熱金属材料の実雰囲気下での照射後破壊力学に関する試験,照射下クリープ試験等を行う。
② 原子炉計装,プラント制御技術の開発
(イ)温度,圧力,流量,中性子束,寸法変化等の検出器を炉内に挿入し,その耐熱,耐照射特性を解明し,極限環境で使用可能な計装機器を開発する。
(ロ)人口知能利用による熱利用系を含む原子炉システムの運転制御の高度化研究を行う。
③ トリウム燃料に関する基礎研究
トリウム燃料照射試験等により,トリウム高転換技術に関する基礎研究を行う。
④ 核融合炉に関する開発研究
(イ)核融合炉ブランケット構造材料について,大型溶接構造物の高温下の照射健全比試験等を行う。
(ロ)トリチウム増殖材ターゲット(Li20,LiA102等)を高温下で照射し,放出されるトリチウムの連続回収技術の試験を行う。
⑤ 放射線化学に関する試験研究
高温下の放射線による酸化鉄の還元反応を利用した水素製造,プラスチック,ピッチ,タール等の放射線熱分解の基礎的研究を行う。
なお,上述した研究開発課題及びその進め方について,当面考えられるタイムスケジュールは,別紙のとおりである。
2研究開発体制
高温ガス炉技術の基盤の確立及び高度化並びに高温に関する先端的基礎研究を総合的かつ効率的に進めるためには,原研がその中心となり,大学及び国立試験研究機関からの参加はもとより広く産業界との協力の下に遂行されるべきである。
このため,節目節目において各機関の高温ガス炉に関する研究開発成果の評価とそれによる計画の見直し等について審議を行い,もって我が国全体の高温ガス炉研究開発の円滑な推進を図ることが重要であり,そのための機関として,原子力委員会の下に「高温ガス炉懇談会」(仮称)を設置することも考えられる。
原研は,高温ガス炉研究開発の中核機関として,試験研究炉を建設,運転し,高温ガス炉技術の基盤の確立及び高度化を総合的に推進するとともに,セラミックス材料,核融合炉材料の照射試験等各種の高温に関する先端的基礎研究を実施することとする。その際,産・学・官から専門家,有識者の参加を得て,研究開発の具体的な進め方,研究施設利用計画等を検討する委員会を設けることが適当である。さらに,産・学・官及び海外の研究者の受入れ,交流等を積極的に行うための組織整備を図ることが必要であり,研究開発課題によっては外部研究者と原研の研究者から構成される研究組織を設ける等,研究開発を弾力的に進めることが望ましい。
大学は,高温ガス炉技術に関する基礎的研究及び高温に関する先端的基礎研究を積極的に行うことが望まれる。例えば,試験研究炉を利用した高温ガス炉に関する炉物理,炉工学試験,高温耐熱核計装システムの開発,トリウム高転換技術の研究,耐熱金属材料,黒鉛材料,セラミックス材料の大型試料による高温照射試験,高温雰囲気下での計装付きの照射試験,放射線化学,水の熱化学分解法に関する研究等の基礎研究を行うことが期待される。
国立試験研究機関は,主として,高温ガス炉用耐熱材料の開発及び評価に係る研究を行うとともに,セラミックス材料及び耐熱金属材料の高温照射挙動に関する研究等材料系科学技術分野を中心とした先端的基礎研究を推進することが期待される。
産業界は,将来の高温ガス炉技術の進展に備え,高温ガス炉の需要の動向や経済性について評価,検討を進めるとともに,高温ガス炉要素技術の高度化等を進め,さらに試験研究炉を利用する研究開発に参加し成果の活用等に努めていくことが望まれる。
3国際協力の展望
西独,米国における高温ガス炉研究開発の特徴は,中・小型モジュラー型の発電用高温ガス炉の機能と安全性の実証,経済性の向上等を主たる目的としており,また西独においては,核熱直接利用に関する高温機器,プロセス利用技術等の要素技術の開発も進めている。中国においても高温ガス炉への関心が高い。
他方,我が国における研究開発の特徴は,試験研究炉によって核熱プロセス利用炉を目指した高温ガス炉技術基盤の確立と高度化を図ることを主たる目的としており,試験研究炉を用いた各種照射試験,核熱プロセス利用技術の実証試験等を計画している。
高温ガス炉研究開発においては,海外で蓄積されている経験,技術を取り入れつつ,より高度の研究開発を効果的かつ効率的に推進するとともに,我が国の研究開発の成果を提供しながら国際協力を進めていくことが重要である。国際協力の将来展望としては,以下に示す内容が考えられる。
① 国内におけるこれまでの優れた技術開発の成果を基に,試験研究炉の建設,運転を行い自主技術基盤を確立することとするが,この際,西独,米国等の先進国との国際協力により,海外の成果を必要に応じ活用することとする。
さらに,確立された自主技術基盤を基に技術の高度化を図り,国際協力の一環としてその技術開発成果を先進国等へ提供していくことが適当である。
② 試験研究炉は,高温で大型試料が照射できること,燃料破損限界試験ができること等の照射機能を有しており,高温ガス炉用燃料,黒鉛材料,耐熱金属材料,セラミックス材料等の国際的な照射ベッドとして利用することとする。
また,これらの照射機能に加えて,中間熱交換器から900°C近い高温の熱を取り出すことができる世界でもユニークな研究施設であることから,これを利用して熱利用系に関する国際協同研究等を行うこともできる。
③ 高温ガス炉技術の基盤が確立すれば,高温ガス炉特有の安全性を最大限に活かした中・小型炉としての利用が考えられる。即ち,これら技術開発の成果を開発途上国への技術協力,技術移転等に活用することも考えられる。
以上
放射線利用の推進について
昭和62年3月13日
原子力委員会放射線利用専門部会
1 はじめに
放射線利用については,原子力発電と並ぶ原子力平和利用の重要な柱として,これまで様々な研究開発が進められ,現在,工業,農業,医療等様々な分野で放射線が幅広く利用され,国民生活の向上に大きく貢献している。
このような状況に加え,近年,放射線の新たな利用について期待が集まつている。即ち,物質・材料,情報・電子,ライフサイエンス等の先端科学技術の急速な進展及び放射線利用分野における加速器技術の進歩等が相まつて,先端科学技術の放射線利用への応用と放射線の先端科学技術分野への応用とが相互に進みつつあり,今後の一層の進展が期待されている。このような従来とは異なる放射線利用の新しい局面は,科学技術の発展に大きく貢献する可能性を秘めている一方,この研究開発には,多額の資金,優れた人材及び長期の期間を必要とするため,今後の研究開発の効率的な推進方策につき検討する必要がある。
また,これまで研究開発が行われてきた分野で,実用化が円滑に進んでいない分野や今後実用化が期待される分野について,実用化の促進に必要な事項を検討することも必要な状況となっている。
さらに,放射線利用に係る国際協力は,原子力平和利用における国際協力の重要な柱として,開発途上国協力を中心に様々な分野について進められてきたが,今後とも,我が国が原子力先進国として国際的責務を果たす等の観点から,今後の国際協力のあり方について検討していく必要がある。
当専門部会は,このような放射線利用に係る最近の状況を踏まえ,今後の放射線利用推進のための研究開発等のあり方について鋭意審議を進めてきたが,今般以下のとおり取りまとめたので報告する。
なお,加速器を応用した二次ビームの利用のなかには,従来の原子力の研究開発利用における放射線利用の範囲を越えるものもあると考えられるが,加速器技術の今後の全体的なあり方を考える上で検討対象に含めることが望ましいとの判断からこれらを含めて検討を行い,本報告を取りまとめた。
当専門部会は,本報告に沿って逐次具体的施策が展開され,放射線利用がさらに進展することを期待する。
2放射線利用の現状
(1)実用化の現状
これまで進められてきた放射線利用の研究開発の成果として,放射線は,現在,工業,農業,医療等の分野,さらに広範な研究分野で幅広く利用されている。
工業分野においては,各種の高分子材料等の製造・加工,検査,計測等に放射線が幅広く用いられている。電子線は,耐熱性電線被覆材料,発泡ポリエチレン,熱収縮チューブ,電池用隔膜等の製造,タイヤ用ゴムの前処理,塗装塗膜の硬化等に幅広く利用されており,現在,これらに用いられる電子加速器は国内で90台以上が使用されているといわれている。また,x線装置や60co,192I「等の密封RIが非破壊検査に用いられているほか,密封R Iを利用した厚さ計,レベル計,密度計,水分計,硫黄分析計,ガスクロマトグラフ装置等が工程管理等に広範に利用されている。このほが,医療用具等の滅菌が60COのγ線を用いて国内数ケ所の施設で実施されている。
農業分野においては,食品照射,害虫防除,品種改良等に放射線が利用されている。食品照射は,放射線の生物効果を利用して食品の保蔵性を高める方法であり,近年世界的に実用化等の動きが活発化しているが,国内では60Coのγ線により馬鈴薯の発芽防止を行う実用照射施設が1カ所稼動している。また,害虫防除については,60Coのγ線により不妊化した害虫を野外に放飼して害虫を根絶させる不妊虫放飼法が実用化されており,南西諸島の喜界島,奄美大島,久米島,宮古群島及び小笠原諸島の5カ所でウリミバエ,ミカンコミバエの根絶に成功している。このほか60coのγ線等を利用した農作物,園芸植物等の品種改良が行われており,優れた形質を持つた品種が育成されている。
医療分野においては,診断及び治療に放射線が広く用いられている。診断については, RIを結合させた放射性医薬品が特定臓器やがん病巣などの診断,血液や尿中の微量物質の検査等に広範に用いられており,また,X線透視装置,X線装置とコンピュータとを結びつけた断層画像情報を得ることができるX線CT等が広く診断に用いられている。治療については,がんが主な治療対象となっており,現在60co遠隔照射治療装置及び60co,192Ir等の密封小線源によるγ線,電子加速器等によるX線,電子線を用いたがん治療が広く行われている。
研究分野においては,特にライフサイエンス関連分野において, RIがトレーサーとして生合成機構や代謝機構,ホルモンや薬物等の作用機構の解明等に広く用いられるとともに,最近の遺伝子工学分野においてもRIは不可欠なものとして幅広く利用されている。また,分析手段として,螢光X線分析装置やRIを装備したガスクロマトグラフ装置等が広く用いられるとともに,放射化分析法も微量元素の分析に広く利用されている。さらに,様々なタイプの加速器が広範な研究に利用されている。
このように,これまで進められてきた放射線利用の研究開発の成果のかなりのものが様々な分野での実用化に結びついており,これらの開発された技術は,民間主体の技術分野として,かなり成熟化,定着化してきていると考えられる。
このような実用化の一方で,後に述べるように,研究開発の成果が実用化に結びつかなかったものもあるなど,いくつかの問題もある。
(2)研究開発の現状
放射線利用の研究開発は,目指す利用目的において多岐にわたり,また研究開発のレベルにおいても様々なものがあるが,当専門部会における今回の検討においては,今後の研究開発のあり方を考える上で,これを大きく次のように分類して検討を進めた。
① 60Coのγ線,電子加速器からの電子線等の照射利用技術や一般的なトレーサー利用技術のように既に基本的に確立されている利用技術を,新たな用途に応用することを目指した,いわば応用的な研究開発
② 従来の放射線とは種類,エネルギー範囲等の異なる放射線,高度に制御された放射線の利用,新しいトレーサー利用のように放射線利用の高度化を目指した,いわば放射線の高度利用のための研究開発
(3)国際協力の現状
- (i)応用的な研究開発
- 応用的な研究開発は,古くから特殊法人や国公立試験研究機関を中心に行われ,数多くの実用化の成果を生み出してきたが,現在も引き続きこれらの機関を中心に,照射利用及びトレーサー利用について研究開発が実施されている。
照射利用についてみると,工業分野については,日本原子力研究所や国公立試験研究機関を中心に,機能性高分子材料,耐放射線性材料等の開発,生物活性体の固定化,中性子ラジオグラフィによる非破壊検査,工程管理用オンライン分析計測技術等に係る研究開発が行われており,環境保全分野についても,同じくこれらの試験研究機関を中心に,排煙処理技術,上水原水や下水汚泥の処理技術等の研究開発が行われている。農林水産分野については,農林水産省の試験研究機関を中心に,品種改良,食品照射等の研究開発が,また,医療分野については,放射線医学総合研究所や大学を中心に,速中性子線や陽子線等によるがん治療の研究開発が行われている。このほか,これらの分野での放射線利用の基礎となる放射線標準の研究が電子技術総合研究所を中心に進められている。
トレーサー利用に係る応用的な研究開発は,現在,農林水産分野や医療分野におけるものが大宗を占めている。農林水産分野については,農林水産省の試験研究機関を中心に,動植物体内や環境中での物質の動態解明等へのRIトレーサーやアクチバブルトレーサーの利用のための研究開発が行われている。医療分野については,厚生省の試験研究機関を中心に,疾患の機構解明,検査,診断等へのRIトレーサーの利用のための研究開発が進められている。- (ii)高度利用のための研究開発
- 応用的な研究開発の一方で,加速器技術,ビーム制御技術,新しい放射線の発生技術等の開発が近年急速に進み,放射線の高度利用を目指して,現在次のような取組みが進められている。
近年の放射線の照射利用分野における高度利用は,いわゆるビーム利用として,大学,日本原子力研究所,理化学研究所,国立試験研究機関(電子技術総合研究所,放射線医学総合研究所等)を中心に様々な研究開発が進行中である。大学関係では,新しい放射線の基礎的研究が進められているが,特に,高エネルギー物理学研究所においては,大規模加速器施設による高エネルギーの陽子線,電子線,陽電子線等を用いた原子核・素粒子研究等への取組みを進めているほか,高エネルギー電子線を用いた放射光(SOR)実験施設(第2世代SOR施設)で各種の利用研究が行われている。日本原子力研究所では,冷中性子を利用した研究等のためJRR-3の改造が行われているほか,高度に制御された重粒子線等の広範な利用を目指した放射線高度利用研究や,高品質重粒子線及び自由電子レーザーの研究開発に取組むこととしている。理化学研究所では,重イオン科学分野を中心に研究開発を進めてきており,現在,高エネルギー重イオンの原子核物理研究等への利用及び材料,生物学研究等への応用を目指したリングサイクロトロン施設の整備を進めている。電子技術総合研究所では,高エネルギー電子線をベースとするSOR,自由電子レーザー,チャネリング放射光,レーザーコンプトン散乱γ線等の基礎的な発生技術の開発等を進めている。放射線医学総合研究所では,高エネルギー重粒子線によるがん治療を目指した,重粒子線がん治療装置の建設に着手することとしている。このほか,民間企業が中心となって小型SORの開発に着手している。
トレーサーの高度利用のための取組みとしては,医療分野において,ポジトロンCTの高解像度化等に係わる研究が放射線医学総合研究所を中心に民間も参加して進められているほか,短寿命RI標識化合物の開発が放射線医学総合研究所や大学,厚生省の機関等で進行中である。
放射線利用分野の国際協力は,現在,開発途上国協力を中心として,国際機関(IAEA等)を通じた協力,二国間協力,原子力研究交流制度による協力,国際協力事業団(JICA)を通じた協力等各種の枠組みの下で,理工学,医学,農林水産等様々な分野で積極的に進められている。
(i)開発途上国協力
放射線利用分野の開発途上国協力は,IAEA/RCA協定(原子力科学技術に関する研究,開発及び訓練のための地域協力協定)に基づく多国間協力を中心に進められてきているが,最近,関係国の要請を背景に二国間協力等も活発になってきている。
IAEA/RCA協定に基づく協力計画としては,現在,工業利用プロジェクト,医学・生物学利用プロジェクト等が進められている。
我が国は,工業利用プロジェクトについては,日本原子力研究所,民間団体等が中心となり,天然ゴムラテックスの放射線架橋,電子線による木材の表面塗装,非破壊検査,放射線計測機器の維持管理等の分野で,専門家派遣,研修生受入れ等を行うとともに,医学・生物学利用プロジェクトについては,放射性医学総合研究所,国立がんセンター等が中心となり,核医学,放射線治療,環境放射能等の分野で共同研究,専門家派遣等を進めている。また,IAEAの下で,放射性利用による生物活性体の固定化とバイオマス変換に関する個別研究協力,食品照射等放射線の農業利用関係の専門家派遣,研究者受入れ等を,日本原子力研究所や農林水産省の試験研究機関で実施中である。
二国間協力としては,インドネシアとの天然ゴムラテックスの放射線改質の研究協力,マレーシアとの60C°照射施設の設計等への協力,中国との重イオン核物理・加速器技術に関する情報交換や共同実験,γ線・照射線量評価に関する情報交換等を,日本原子力研究所,理化学研究所,名古屋工業技術試験所等が進めている。
このはか,原子力研究交流制度よる研究者交流,JACA協力,W HO等の枠組の下の研修生受入れ等が関係機関により行われている。
(ii)先進国協力
放射性利用分野の先進国協力は,二国間協力のほか,IAEA等国際機関の下での多国間協力等も進められている。
二国間協力としては,理化学研究所が,重イオン科学関係で米国の大学との研究協力及びフランスの国立研究機関との共同研究を,また日本原子力研究所が,中性子散乱,核物理・加速器技術関係で米国国立研究所等と情報交換,共同実験等をそれぞれ進めている。
また,OECD/IEA(国際エネルギー機関)や米国との核融合炉材料中性子照射共同研究等を日本原子力研究所等が進めているほか,IAEAの下では,IAEA/CRP(協力研究計画)として進められている放射線利用における各種研究に関する情報交換活動,IAEAや国際度量衡局(BIPM)の下での放射線単位・標準の情報交換活動等に,日本原子力研究所,放射線医学総合研究所,電子技術総合研究所等が参加して協力を進めている。また,FAO, IAEA等の下で,農林水産省の試験研究機関が,農業分野での放射線利用に関して専門家派遣等を行っている。
3放射線利用の今後の課題
以上述べた放射線利用の現状をみると,これまでの研究開発の成果のかなりのものが実用化に結びついているが,実用化に至らなかったものもあるなど,いくつかの問題も抱えている一方,加速器技術及びビーム利用に関し新しい動きが起こっており,そのいくつかは,原子力平和利用の重要な柱の1つとして進められてきたγ線,電子線の利用等の伝統的な放射線利用から大きく発展しており,原子力という範囲を越えて一般的な科学技術と密接な関連を有し,その発展に大きく貢献しつつある。そのため,長い間行われてきた応用的な研究開発と実用化の推進に係わる考え方の整理,また新しいビーム利用等への対応,さらに国際的研究協力についての新たな展開が今後の重要な課題である。
このような背景から,今後の放射線利用に係る次のような課題が検討されるべきである。第1に挙げられるものは,これまでのように,放射線利用の実用化の推進を図っていくことである。既に述べたように,放射線利用の研究開発の成果のかなりのものが様々な分野での実用化に結びついているが,研究開発の結果,実用に供することができる程度の技術レベルに達しながら,実用化に至らなかったもの,あるいは,不十分であるものも少なくない。その例としては,照射利用分野における高分子合成・改質のいくつかの例や食品照射,トレーサー利用分野におけるRIの野外トレーサー利用等が挙げられる。このうち,食品照射については,原子力委員会の原子力特定総合研究として,馬鈴薯,玉ねぎ,米,小麦等7品目について研究開発が実施されたが,現在実用化されているものは馬鈴薯にとどまっている。これらの実用化への阻害要因を整理すると,研究開発に係る問題を越える次のような要因が挙げられる。
① 経済的要因:放射線の照射利用の場合,一般に照射施設は線源,遮へい等の関係から高価なものとなることが多いため,高分子合成・改質の一部のものにみられるように,個々の事業者において,一定量以上の安定的な需要が見込めない場合は,放射線処理法はコスト面で不利となり,実用化には結び付き難い。
② 社会的要因等:特に食品照射に見られるように,放射線によって処理された食品の健全性が消費者等に容易に理解されないという問題がある。また,照射施設の立地もτ地元住民の反対により難航する例も見られる。このほか,RIの一部の野外トレーサー利用のように,安全確保上の配慮から実用化に至らなかった例もある。
今後,放射線利用の実用化の推進を図っていくためには,利用の拡大を阻害する上記の要因による問題について,各々の実情に即してその解決を図っていくことが重要である。
また,実用化の推進を図るための研究開発については,先に述べた応用的な研究開発が重要となるが,この分野については,これまでかなり広範な分野にわたって研究開発が進められ,現在も,国の機関を中心として様々な研究開発が実施されている。しかし,一方で大学や国の機関を中心に様々な新しい利用の可能性を秘める高度利用のための取組みが進められており,一定の限度のある国の資金,人材を考慮すると,応用的な研究開発分野については,国が推進すべき分野を明確にして,重点分野を絞っていく必要がある。
この場合,実用化の可能性について,技術的,経済的,その他の観点からの検討,評価を十分に行う必要がある。
第2の課題は,多くの新しい利用の可能性を秘める放射線の高度利用のための研究開発を積極的に推進していくことである。この研究開発には,多くの異なる分野の研究者の協力が不可欠であるとともに,特にビーム利用について大型加速器等への多額の資金と優れた人材の確保が前提となるが,これらの研究開発資源には一定の制約があり,研究開発の効率的な推進に十分配慮する必要がある。
第3の課題は,我が国が,放射線利用分野における開発途上国からの協力要請に応え,また,放射線の高度利用への取組みを通じて放射線の新しい利用分野を創出することなどにより,従来にも増して国際社会に貢献していくことである。開発途上国協力についは,協力をより効果的なものにするためには,従来のIAEA等を通じた協力に加え,二国間協力の積極的な推進が必要である。また,国内における放射線の高度利用への取組みの推進に併せ,研究開発資金の重複投資の回避,各国の得意分野の成果の持寄りによる研究開発の加速化等の観点から,今後放射線の高度利用分野における先進国協力が重要となる。
4具体的施策
(1)放射線利用の実用化の推進
γ線,電子線等を中心とした放射線利用は,既に述べたように,長い年月にわたる研究開発や市場開拓の努力もあり,多くの分野で実用化されている。
今後さらに民間部門で実用化を促進するためには,経済的あるいは社会的な阻害要因を除去していく必要があり,そのため次のような諸点が重要であると思われる。
まず第1に,放射線法の特徴が十分生かせる分野に重点を絞って応用対象の拡大を目指すことである。従来の実用化例について,放射線法の特徴をみると,放射線の優れた物質透過性,低温での反応が可能などの特性を利用した結果,競合する技術に比べ,製品の高品質化が図れるとともに,プロセスの簡素化,省資源化,省エネルギー化,低公害化等が促進されるなどの点を挙げることができる。例えば高分子の架橋についてみると,放射線の優れた物質透過性から,固体内部に均一な反応を起こさせることが可能であるため,反応を促進させる条件として反応開始剤を添加し,これを加熱するなどの手間のかかるプロセスを必要としないといったことが良い例であろう。このように,高分子の架橋,塗装塗膜の硬化,医療用具の滅菌等,放射線の特徴が十分生かせる分野では放射線が不可欠な技術として使用されており,今後も放射線法の特徴を十分認識し,重点を絞つて応用対象の拡大を目指すことが重要である。
第2に経済性になじむような加速器の開発等効率的な照射技術を開発することである。これまでの加速器等の照射装置は多目的に使用できるような設計になっている場合が多いこと,さらに放射線の遮へい等が高価であることから,設備投資に多くの資金が必要となる。これに対して,現実には,照射品目が少なく,また,各製品の需要も少ない場合が多く,経済性になじまないことが原因となって放射線法の普及が進まない状況がしばしばみられる。
このため,今後は,加速器等のメーカー及びユーザーが協力して,各々の照射対象に適合した効率的な加速器の開発等,必要な性能を維持しつつ装置の簡素化・小型化等を進め,ひいては経済性が発揮できるような,効率的な照射技術を開発することが望まれる。
第3は,先に述べた2つの点とも深い係りを有するものであるが,民間企業等において施設の共同利用化を図ることである。グラフト改質による機能性膜の製造,食品包装材,半導体等の加工等に加速器が,また,材料の耐放射線性評価等に60Co・γ線照射施設が共同利用されている例が一部あるが,研究を支援する手段としてのみ必要であったり,市場規模が小さいこと等により,独自で照射施設を設置することは投資効率が非常に悪い場合がかなりある。この場合,民間企業等において,既存の施設の共同利用を推進したり,新たな共同利用施設を建設する等の取組みが期待される。
また,消費者の適切な理解を得られないとか,施設の立地に係わる住民の反対など社会的要因等により実用化が阻害されることに対しては,国及び民間により積極的な啓発及び広報活動を行うとか,特に食品照射の分野なだについては,国民の理解の促進を図りつつ,関係行政機関において制度面。整備や合理的な運用を行うなどの措置が緊要である。
さらに,放射線利用の実用化の推進に必要な応用的な研究開発については次のようなものについて国等の公的機関が主導して研究開発を進めることが適当であると考えられる。
① 例えば,環境,資源,医療,農業分野などにおける放射線利用研究のように,社会的要請がありながら民間がその主体になろうとする強いインセンティブが働かない研究
② 照射食品の基準,放射線標準等国が定める規格,基準に係る研究
③ 実用化のために基礎的研究が不可欠であるため,民間から強い支援要請がある研究
④ 国際協力として必要な研究
今後の放射線利用の研究開発については,成熟しつつある技術領域での上記の努力のほかに,次の述べるような新しいビーム利用,新しいトレーサー利用といった放射線の利用を高度化の方向へ導く分野に研究開発資源を重点的に投入する必要がある。
(2)放射線の高度利用のための研究開発の推進
(1)ビーム利用
イ 高度利用の可能性
放射線利用の推進のために,既に述べた応用的な研究開発の一方で,ビーム利用を中心として放射線利用のための新たな取組みも行われてきた。即ち,放射線のより高度な利用を目指して,加速器技術,ビーム制御技術,新しい放射線の発生技術等の開発が進められ,従来より高いエネルギーあるいは低いエネルギーの放射線,パルス化やマイクロビーム化された放射線,重粒子線等の新しい放射線等の利用の途が新たに開けてきた。また,情報処理技術等の他の先端技術分野の成果を活用したX線CT等の開発も進められてきた。これらの放射線利用のための新たな技術開発により,新材料開発や材料損傷研究,がん治療や高度な医療診断,各種の高度な計測・分析技術の開発・利用,原子核物理や素粒子物理の研究等の放射線の新たな利用,いわば高度利用が進んできた。
このように,放射線利用は,その時点で利用可能なレベルの放射線を用いて多分野への利用を目指す応用的な研究開発と,放射線のより高度な利用を目指した技術開発,その成果に基づく放射線の高度利用のための研究開発とが,今日の放射線利用の姿を形作ってきたといえるが,特に後者は,放射線利用に新しい途を開き,新技術の創出等大きな波及効果が期待されるものであることから,特に重要な意義を有している。
このような観点から,今後は従来にも増して放射線の高度利用のための取組みを推進していく必要があるが,今後のビームの高度利用の可能性について,放射線の種類ごとに検討を行い,研究開発の重点分野ごとに整理すると,おおむね表-1のとおりである。
ロ 具体的な取組み
特定のニーズに対応した実用化のための装置開発が中心となるものとしては,表に示すように,現在取組みが進められている小型SORのほか,大電流電子線・X線,124Sb-Be中性子源(可搬型)及び大電流重粒子線があり,これらについては,民間が中心となり,必要に応じて国も支援する形で研究開発が進められ,新たな利用分野が開拓されることが望まれる。
放射線の利用技術の研究開発が中心になるものについては,放射線の発生技術がほぼ確立されており,利用技術への本格的な取組みが進められているか,又は本格的な取組みの開始が確実なものが大部分となっており,全体的には活発な研究開発が実施されていると言えよう。
具体的には,2の(2)の(ii)で述べたような研究開発が現在進行中である。
これらについては,今後とも着実に研究開発を推進していくことが重要である。
現在,表に整理した放射線の発生技術の研究開発が中心になる課題を軸に,新領域への放射線利用の展開が始まっている。これらの研究開発課題は,ビーム発生技術が確立すればさらに広範で,高精度の利用を可能にするものであり,その必要性,期待される成果及びその波及効果は非常に大きく,また国際的に見ても欧米諸国で精力的な研究が行われており,国際的研究協力により国際的にも貢献できるものであると言えよう。
しかし,技術がより高度に複雑化することにより,資金,多分野に係わる人材等研究開発資源の結集が必要であり,各課題に対応した適切な研究開発計画が必要と思われる。
以上の点を踏まえながら,新しいビームの発生技術の研究開発に係わる取組み方について以下に述べる。
(イ)π中間子・μ粒子ビームは基礎物性研究,がん治療,核融合等,単色中性子線は物性研究等,RIビームは新物質創成や新分析技術等,熱外中性子線は元素別ラジオグラフィーや元素別CT等にそれぞれ有用なものと期待されているが,限られた研究開発資源及び技術的な蓄積を有効に活用するという観点から,理化学研究所,日本原子力研究所,大学等が中心となって,既存施設,整備中の施設あるいは新たに整備される施設の活用等により,当面これらの基礎技術の蓄積に努めることが適当であると考えられる。
(ロ)第3世代SOR,大強度高エネルギー陽子線(含:重陽子線),大強度高エネルギー中性子線,冷中性子線(加速器発生)については,目的とする研究を実施するためには,ビームの発生に係わる多くの要素技術を開発していく必要があり,さらに大型施設の建設に,膨大な資金が必要であるため,所要の調査検討を行って研究開発計画を精緻なものにする必要がある。
第3世代SORは,現在利用可能な第2世代SORよりさらに輝度が高く,短波長領域をカバーするものとして,特に,生体高分子の構造解析,超微細加工,極微量試料の静的・動的解析,医学診断(血管造影等)に極めて有用なものとして各方面から強い期待が寄せられているとともに,原子力用材料開発のための有力な分析・研究手段として,また,将来の短波長光利用同位体分離や核融合プラズマ診断等のための基礎データの取得など,原子力分野での利用も期待されている。また,高輝度化,安定化等の技術開発が必要であるものの,第2世代SORの研究開発等を通じて基礎技術は蓄積されてきているが,資金規模が非常に大きいこともあり,今後施設の必要性,規模,その他技術的問題点等について調査検討が行われることとなっている。このため,この調査検討の結果を待って具体的な研究開発の方針を決定すべきものと判断される。
大強度高エネルギー陽子線(含:重陽子線),大強度高エネルギー中性子線及び冷中性子線(加速器発生)は,核融合炉材料研究,核燃料増殖,TRU核種の核種変換,短寿命RI生産,核反応研究等の原子力分野を中心に広範なニーズがあり,さらに,物質・材料系科学技術,ライフサイエンス等への波及効果があるが,中心的な課題は,大強度高エネルギー陽子線又は重陽子線をベースとする大強度高エネルギー中性子線の発生技術の研究開発である。重陽子線をベースとするものは,核融合炉材料研究の上で強いニーズがあり,過去のFMIT(核融合材料照射試験施設:米国)計画の検討を通じてその意義及び仕様等がかなり明確になっているが,資金規模が非常に大きく,現在,国際協力による共同建設の可能性が検討されている。一方,陽子線をベースとするものについては,核融合炉材料研究に加え,核燃料増殖, TRU核種の核種変換等さらに幅広い応用が期待されるが,資金規模はさらに大きい。このため,これらについはては,建設計画の具体化を促進するために,上記の方式の比較検討を含めた調査研究を速やかに進めることが適当と考えられる。
(ハ)大強度単色陽電子ビームについては,基礎技術の蓄積がかなりあり,ここ数年で優れた基礎的な技術開発成果が得られる見通しがあるため,今後適切な研究開発体制を組み,本格的取組みを開始すべきであると判断される。大強度単色陽電子ビームは,・電子の運動量分布,電子密度や物質のゆらぎの測定,表面研究,高速反応研究等広く材料科学,固体科学に新しい計測手段を提供するものと期待されている。ビーム発生技術,取扱い技術等基礎技術も,大学を中心とするーどれまでの研究によりかなり蓄積され,世界的にもトップレベルの位置にあり,研究のさらなる進展は国際的貢献度も大きい。
このため,電子リニアックの大電流化等基礎技術の開発をさらに進め,最先端の陽電子研究利用施設(ポジトロンファクトリー)の整備を目指して,本格的技術開発に取り組むのが適当であると判断される。なお,本施設は大学,民間等からの共同利用の要請が強く,また共同利用可能なまでに技術が蓄積されてきていると判断されるため共同利用施設とすることが望ましい。
主な技術開発課題は,ビームを効率よく発生させるための新しいターゲット部の開発,計測・分析精度の向上のためのビーム制御技術(パルス化,マイクロビーム化等)の向上,陽電子の状態を正確に把握する陽電子計測技術の向上等である。
また,研究開発を推進するに当たっては,これまで各々の機関で個別に蓄積されてきた知見を結集して行う必要があり,具体的には大学及び日本原子力研究所が中心となり,電子技術総合研究所,理化学研究所等と密接な連携を保ちつつ,共同研究・利用体制を確立することが望ましい。
(ニ)自由電子レーザー,チャネリング放射光及びレーザーコンプトン散乱γ線は,基礎技術の蓄積が必ずしも十分でないが,ビームの強度,性質等から判断して非常に望ましい利用が期待できるため,体系的な研究開発計画の下に基礎技術の蓄積をさらに推進すべきと考えられる。これらは,いずれも高品質電子線をベースとするものであり,高品質大電流電子線の加速技術等基礎技術の蓄積をさらに進める必要があるが,これらのビームはいずれも単色,高強度,エネルギー可変の高品質ビームであり, SORでは対応できない高精度の計測・分析,物質の創成・分離等に極めて有効なものとして強い期待が集まっている。このため,これらの高品質ビームの利用実現に向けて研究開発に取り組むのが適当と判断される。
主な技術開発課題は,高エネルギー電子線の高品質化,大電流化等の加速器技術及びアンジュレーター技術,ミラー技術等のビーム発生技術と,ウラン濃縮などの同位体分離,放射性廃棄物の群分離技術,材料分析・評価技術,γ線標準技術等利用技術の開発である。
また,研究開発を推進するに当たっては,加速器技術等の基礎技術の開発については日本原子力研究所,電子技術総合研究所,理化学研究所等関係機関の力を結集して実施し,利用技術については,これらの機関が,関連する機関と密接な連携を保ちつつ,各目的に応じた開発を推進していくことが望ましい。
以上のような各種放射線の高度利用に関する研究開発を進めるに当たっては,高度利用の基礎となる放射線と物質の相互作用,ビームの計測技術等基礎的研究も重要であり,これらに関する研究も積極的に進める必要がある。
また,放射線の高度利用分野の加速器技術等ハード面の技術開発は近年めざましいものがあるが,得られたビームを制御,管理及び利用するソフト面の技術開発が遅れている。このため,ビームの制御,計測,情報処理等を高精度・高効率に行ったり,新しい利用法を創出するソフト面の技術開発の推進力重要である。
(ii) トレーサー利用
イ 高度利用の可能性
RI等は,放射線の照射利用と並んで,古くから医学,生物学,農林水産,理工学等の分野においてトレーサーとして幅広く用いられ,生命現象の解明,診断,物質の動態解明等に大きな役割を果たしてきた。これらの研究は,新しいRIの利用,オートラジオグラフィー等の手法開発やシンチレーションカウンター等の測定機器の開発に負うところが大きい。
最近では,これらの成果を基礎として,新しいライフサイエンスの研究が進展しており,これらの研究等に不可欠な特異的標識化合物の開発が重要になっている。特に,医学分野では,各種の研究や検査・診断に放射性医薬品が広く用いられてきたが,最近では特に超短寿命のポジトロン核種を用いた薬剤が重要になっているほか,農林水産分野では,農薬の薬理作用,各種物質の生体や環境中での動態をより詳細に把握するための新しい標識化合物の開発等が望まれている。
また環境中における物質挙動の解明に有効な手段として近年次第にアクチバブルトレーサーが用いられるようになってきたが,農林水産分野,理工学分野で新しいトレーサー利用技術の開発等が望まれている。
このような観点から,新しいトレーサー利用に関する研究開発に重点を置く必要があるが,今後のトレーサーの高度利用の可能性について整理すると,おおむね表-2のとおりである。
ロ 具体的な取組み
トレーサー利用については,既に多くの核種や標識化合物の利用が技術的に確立され,広範な利用が行われており,新しいトレーサー利用を含め,この分野での今後の健全な発展を図るためには, RI等が安定的に供給されることが不可欠であり,今後ともその確保に努めることが重要である。
トレーサーの高度利用のための研究開発が目指すところは,従来もそうであったように,測定技術を含め,新しい標識化合物,核種等の利用を可能にする技術の体系を創出することであるが,特に近年,これらの研究開発は,医学,生物学,農林水産等のいわゆるライフサイエンス分野の研究に貢献するものであるとして注目を浴びている。具体的には,次のような研究開発課題が重要なものとして挙げられる。
(イ)標識化合物及び標識化技術の開発
標識化には,化学合成により標識化合物を作る方法と,中性子等により測定試料自体を直接標識化する方法があり,前者については,短時間の半減期を持つた標識化合物,特定の生命現象等の解明に必要な特異的標識化合物等の開発に重点が移ってきており,有機合成技術とともに,合成された標識化合物が生体内等で如何に作用するか等の解明が重要である。
特に最近では,ポジトロン放出核種で標識した超短寿命RI標識化合物が,生体内での生命現象をより詳細に把握し得るものとして期待されている。超短寿命RI標識化合物の開発については,その寿命の短さから国が整備された施設を持つなど,国の役割が重要である。主な技術開発課題は,ポジトロン放出核種の効率的な生産技術の開発,目的に応じた有効な標識化合物の開発,超短時間標識法の開発等であり,これには,放射線医学総合研究所,大学,その他国の関係機関が連携して進めることが望ましい。
一方,中性子等により測定試料自体を直接標識化する方法については,原子炉あるいは加速器からのビームによる標識化技術の開発が重要である。このための主な技術開発課題は,ビームの制御技術等効率的な照射技術の開発と,標識化に伴って生じる妨害元素の影響の解明等であり,これらについては,日本原子力研究所とその他国の関係機関が連携して進めることが望ましい。
(ロ)測定・解析技術の開発
トレーサーの高度利用には,標識化合物及び新核種の開発と相まって,測定機器の技術的性能向上が不可欠である。近年エレクトロニクス及びソフトウェアー技術の進歩により,計測制御技術が発展し,シンチレーションカウンター,オートラジオグラフイ,インビボイメージング等の分野で,測定・解析技術の著しい改良,改善が民間部門に期待されている。特に,ポジトロン放出核種で標識した超短寿命RI標識化合物を利用する場合は,現在開発されているポジトロンCTの解像度をさらに高めることが重要な課題である。
また,S/N比の高い画像を得るための装置開発,物質の動態を三次元的に把握するための装置開発,さらには,ポジトロンCT,NMR-CT,X線CT等を総合的に組み合わせて情報処理を行うシステムの開発等により,一層高度な情報が得られるものと期待されている。これらの技術開発課題については,放射線医学総合研究所等の国の機関と民間とが連携して,相互の技術的蓄積を持ち寄り,取り組んでいくことが望ましい。
(ハ)新トレーサー手法の開発等
野外におけるトレーサー手法としては,アクチバブルトンーサー法が既に実用化され,広く利用されているが,サンプリングが不可能な場合等の新しいトレーサー手法として,ホウ素等による中性子の吸収を利用した中性子吸収トレーサー法や重水の光核反応による中性子を検出する重水トレーサー法が期待されている。前者については一部実用化されているが,今後さらに中性子吸収測定系等の改良が必要であり,また後者については,高エネルギーγ線源の開発及び低バックグラウンド中性子計測法の開発が必要である。これらの技術開発課題については,日本原子力研究所を中心に取り組んでいくことが望ましい。また, RIトレーサーやアクチバブルトレーサーに用いられる新核種の開発については,今後のトレーサー利用の新たな発展の基盤となるものであり,国の機関を中心に基礎的な研究開発を行っていくことが望ましい。
(iii)研究開発体制の整備
高度利用に係わる研究開発の重点分野をみると,研究領域が科学技術の最先端の進歩と深い係わり合いを持っていること,また,研究開発資金,研究者といった研究開発資源の本分野への投入について調和のとれた効率的な配分が必要であることから,特に研究開発体制については従来の考え方にとらわれない斬新なものが要求される。
放射線利用分野における研究開発体制については,昭和56年の放射線利用専門部会報告において,放射線化学分野の研究開発体制のあり方の基本が次のように示されている。
即ち,新分野を開拓し,シーズを提供する純基礎研究は大学,シーズとニーズの結合による実用化への芽を提供する目的基礎研究は国公立試験研究機関及び特殊法人,ニーズに対応した実用化研究開発は民間が中心となって研究開発を推進するという体制が示されている。
今後の放射線利用に係る研究開発についても,基本的にはこれらの考え方に沿って研究を推進していく必要がある。
しかし,新しいビーム利用やトレーサー利用のような放射線の高度利用のための研究開発については,次のような特質があり,資金負担等の面から全体的な推進役として,国の役割が特に重要である。
① これらの先端的技術分野は,様々な分野の高度な技術の結集が必要である。このため,従来の役割分担では必ずしも効率的な研究開発は困難であり,中心的機関を明確にして,各々の分野で十分な研究開発ポテンシャルを有する大学,特殊法人,国立試験研究機関,民間等の力を結集してこれに当たることが不可欠である。そのため,産・学・官によるプロジェクト体制の整備など産・学・官の連携の拡大・強化を図り,総合的・計画的・効率的な研究開発を推進する必要がある。
② また,研究開発には,優れた人材の確保はいうまでもなく,必要な装置や施設も大型加速器等に多額の資金が必要になる。このため,ビーム利用については,国際的にも先端的なものとして必要な装置や施設を中心的機関に拠点的に整備し,関係機関が共同利用していく体制の整備が重要である。トレーサー利用についても,ポジトロン核種等超短寿命核種の生産・利用体制の整備が重要であり,地域的な拠点施設の整備を検討する必要がある。
なお,放射線利用に係るデータはこれまで各分野ごとに偏在しがちであったが,各分野の研究開発の効率的推進,資金の効率的運用等を図るため,データベースの整備が必要である。
(3)国際協力の推進
放射線利用分野の国際協力の今後の取組みとしては,開発途上国協力,先進国協力とも,協力対象国及び協力内容の拡充,受入れ体制の整備・強化等を積極的に進める必要がある。国内の関係諸機関においては,従来の取組みを一層推進することに加え,新たな国際協力にも積極的・計画的に取り組んでいくことが望まれる。
(i)開発途上国協力
放射線利用分野の研究は,長期的観点に立てば,開発途上国の科学技術の振興のみならず,当該国の経済・社会の発展に大きく貢献するものであることから,従来の多国間協力に加えて二国間協力を積極的に推進し,相手国のニーズ・実情を踏まえ,開発段階に応じたきめ細かい協力を積極的に推進していく必要がある。
また,本分野の研究は,研究基盤や技術基盤の整備・充実が必要不可欠であるため,従来からIAEA/RCA協力等を通じ,人材養成に重点を置いた技術協力,研究協力等が進められてきたが,今後ともIAEA/R CA協力,二国間協力,原子力研究交流制度等を発展させ,当該国の基盤整備に資することが重要である。この場合,我が国との信頼関係の基礎となる人的つながりの形成にも配慮して取り組んでいく必要がある。
さらに,このような開発途上国協力を一層効果的なものとし,我が国が原子力先進国としての国際的責務を積極的に果たしていくという観点から,日本原子力研究所に,先進国協力も含め,宿泊施設,人材の訓練施設等の整備を始めとする人材の交流を総合的に行う中核的組織を整備することについても検討していく必要がある。
(ii)先進国協力
放射線利用分野においては,特に今後の放射線の高度利用のための取組みにおいて,研究設備が大型化,複雑化し,多方面の高度な知見が不可欠であるなど,多額の資金と優れた人材の確保が重要な要素となる。
しかし,これには相当の制約も予想され,このような財政上及び人材確保上の制約を克服し,また我が国に期待されている原子力先進国としての国際的責務を十分果たしていくという観点からも,放射線利用分野における先進国協力として,共同研究,研究者交流等を今後さらに積極的に推進していく必要がある。
この場合,従来の研究組織体制を越えて国内外の多分野の研究者を結集し,最大限の流動性を付与して新たな発想に基づく独創的研究を推進することにより,科学的知見の効率的発掘を目指すなど,開かれた体制の整備についても検討していく必要がある。
目次へ 3.(1)昭和62年度原子力関係予算総表へ






