(1)軽水炉燃料
現在,我が国で稼動中の原子力発電所は日本原子力発電(株)の東海原子力発電所の1号炉を除き,すべて軽水炉であり,今後も当分は軽水炉中心に建設が進められるものと考えられる。これに伴って低濃縮ウラン燃料の需要が著しく増大しつつあるが,一般にウラン燃料の加工部門は他の核燃料部門に比べて比較的国産化が進んでいる。
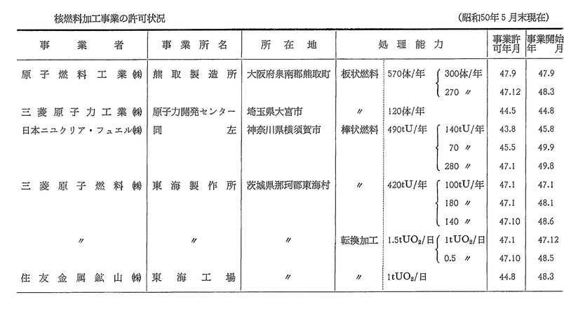
すなわち,六フッ化ウランから二酸化ウランへの転換加工については,住友金属鉱山(株)が年産約240トン(二酸化ウラン換算,以下同じ。)の能力をもつ東海工場を,三菱原子燃料(株)が年産約360トンの能力をもつ東海製作所を操業している。
また,二酸化ウラン粉末から最終製品である核燃料集合体への成型,組立加工は,BWR用燃料に関しては,日本ニュクリア・フュエル(株)がGE社から導入した技術をもとに,年産490トン(ウラン量,以下同じ)の能力をもつ横須賀工場を操業中である。PWR用燃料に関しては,三菱原子燃料(株)がWH社から導入した技術をもとに,年産420トンの能力をもつ東海製作所を操業中である。
このように,現在,軽水炉燃料加工事業は,外国資本に直結した原子炉系メーカーにより実質的に2分された状態にあるが,直接外資との結びつきをもたない原子燃料工業(株)(住友電気工業(株)と古河電気工業(株)の合弁により設立)が,軽水炉燃料加工事業への進出を予定しており,この新会社の進出は,国内市場に有効な競争を実現するものとして期待されている。
また,軽水炉用棒状燃料に使用されるジルカロイ被覆管については,これまで大部分を輸入品に頼っているが,我が国においても,(株)神戸製鋼所,住友金属工業(株),三菱金属工業(株)等がジルカロイ被覆管の生産設備を有しており,この面での国産化の進展が期待されている。
(2)研究炉用板状燃料
我が国の大型研究用原子炉のうち高濃縮板状燃料を使用するものは,日本原子力研究所のJMTR,JRR-2,JRR-4及び京大原子炉で,これらの年間所要量は約250〜350体である。これに対して,板状燃料の加工事業者としては,原子燃料工業(株)が年産570体の能力を有する熊取製造所を,三菱原子力工業(株)が年産120体の能力を有する原子力開発センターをそれぞれ操業中であり,一時的な需要の集中を考慮しても供給能力は十分であり,技術的にもすぐれたものであるので,研究炉用板状燃料は現在すべて国産化されている。
目次へ 第9章へ
2 核燃料加工
